手机喇叭破音修复方法 华为手机扬声器有嘶嘶杂音
admin
2023-09-14 06:32:30

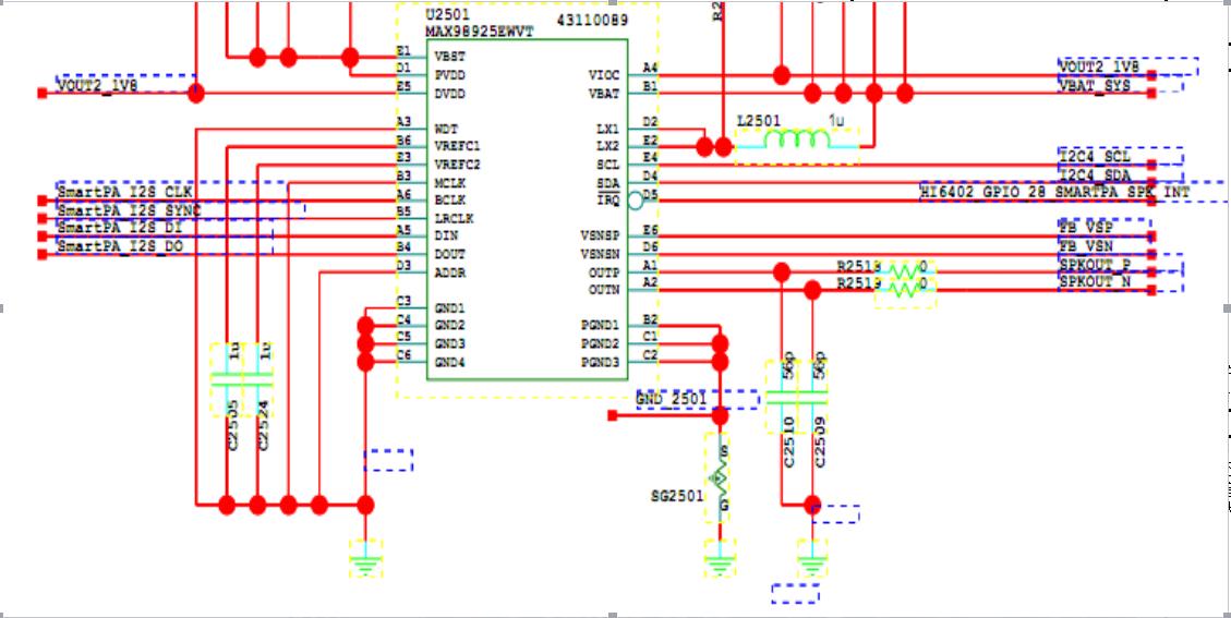
用户送修一台华为P9,反应故障是喇叭没有声音,交换壳体喇叭依旧无声,确认主板问题,拆机测量主板,发现tp3018测试点对地阻值为0L,测量r2158两端对地阻值也是0L,初步怀疑U2501芯片虚焊导致,拆除芯片,重新植锡安装,故障解决。

华为p9扬声器无声维修

全网通对地阻抗487,移动版对地阻抗610,表不同阻抗不同

华为p9扬声器无声维修

华为p9扬声器无声维修

CPU通过数据处理输出音频文件码流至音频管理芯片,音频管理芯片通过数模转换输出音频信号至扬声器功放U2501,音频功放将信号放大处理后,输出话音信号至扬声器。

相关内容

热门资讯

苗族的传统节日 贵州苗族节日有... 【岜沙苗族芦笙节】岜沙,苗语叫“分送”,距从江县城7.5公里,是世界上最崇拜树木并以树为神的枪手部落...
怎么样的桃花 桃花近看远看的样... 今年的“三八”妇女节,阳光明媚,踏青赏花正当时。遂与姐妹们共赴十里蓝山,与花海来一场春天的约会。十里...
北京的名胜古迹 北京最著名的景... 北京从元代开始,逐渐走上帝国首都的道路,先是成为大辽朝五大首都之一的南京城,随着金灭辽,金代从海陵王...
长白山自助游攻略 吉林长白山游... 昨天介绍了西坡的景点详细请看链接:一个人的旅行,据说能看到长白山天池全凭运气,您的运气如何?今日介绍...
应用未安装解决办法 平板应用未... ---IT小技术,每天Get一个小技能!一、前言描述苹果IPad2居然不能安装怎么办?与此IPad不...
猫咪吃了塑料袋怎么办 猫咪误食... 你知道吗?塑料袋放久了会长猫哦!要说猫咪对塑料袋的喜爱程度完完全全可以媲美纸箱家里只要一有塑料袋的响...
脚上的穴位图 脚面经络图对应的... 人体穴位作用图解大全更清晰直观的标注了各个人体穴位的作用,包括头部穴位图、胸部穴位图、背部穴位图、胳...
世界上最漂亮的人 世界上最漂亮... 此前在某网上,选出了全球265万颜值姣好的女性。从这些数量庞大的女性群体中,人们投票选出了心目中最美...
demo什么意思 demo版本... 618快到了,各位的小金库大概也在准备开闸放水了吧。没有小金库的,也该向老婆撒娇卖萌服个软了,一切只...
苗族的传统节日 贵州苗族节日有... 【岜沙苗族芦笙节】岜沙,苗语叫“分送”,距从江县城7.5公里,是世界上最崇拜树木并以树为神的枪手部落...
怎么样的桃花 桃花近看远看的样... 今年的“三八”妇女节,阳光明媚,踏青赏花正当时。遂与姐妹们共赴十里蓝山,与花海来一场春天的约会。十里...
北京的名胜古迹 北京最著名的景... 北京从元代开始,逐渐走上帝国首都的道路,先是成为大辽朝五大首都之一的南京城,随着金灭辽,金代从海陵王...
应用未安装解决办法 平板应用未... ---IT小技术,每天Get一个小技能!一、前言描述苹果IPad2居然不能安装怎么办?与此IPad不...
脚上的穴位图 脚面经络图对应的... 人体穴位作用图解大全更清晰直观的标注了各个人体穴位的作用,包括头部穴位图、胸部穴位图、背部穴位图、胳...
长白山自助游攻略 吉林长白山游... 昨天介绍了西坡的景点详细请看链接:一个人的旅行,据说能看到长白山天池全凭运气,您的运气如何?今日介绍...
demo什么意思 demo版本... 618快到了,各位的小金库大概也在准备开闸放水了吧。没有小金库的,也该向老婆撒娇卖萌服个软了,一切只...
猫咪吃了塑料袋怎么办 猫咪误食... 你知道吗?塑料袋放久了会长猫哦!要说猫咪对塑料袋的喜爱程度完完全全可以媲美纸箱家里只要一有塑料袋的响...
世界上最漂亮的人 世界上最漂亮... 此前在某网上,选出了全球265万颜值姣好的女性。从这些数量庞大的女性群体中,人们投票选出了心目中最美...