电容降压电路,因其成本低廉、体积小而被广泛地使用,此一优点足以掩盖其它所有缺点:输出电流小(一般控制在100mA以内),与市电直通非隔离而存在安全隐患,输出电压波动大等;这些缺点也限制了其所能使用场所。

补充:常规的AC->DC方案是采用变压器降压后再整流滤波。
1 工作原理
就是利用电容在一定的交流信号频率下产生的容抗来限制最大工作电流,因负载阻抗不是很大,而认为此时的电容为一个恒流源为负载供电。
电容的取值一般在0.33~3.3uF之间,争对我国220V/50Hz市电,利用容抗计算公式:Xc=1/(2pifC),可得其容抗在965Ω~9.65kΩ范围内,较一般负载阻抗来说,已远远大于其值。
最简单的电容降低电路如下图示:

根据负载所需电流大小,来确定C1值的大小。
此电路我们会发现一个问题:交流的市电输入,在负载两端会产生一个交变的电压,而非我们所需的DC电源,故做如下改进:

利用了二极管的单向导通性。
但随之又引入了第二个问题:电容C1放电回路问题;当电压从0逐步增大到最大值时,电压对C1进行充电,为负载提供电流;当C1充满电后,C1断路,不再给负责提供电流;而此时,C1没有放电回路,一直保持最大电压,后续不再进行充放电过程;故此电路只有在上电瞬间,才提供给负载pi/4时间的电流。
还是利用二极管的单向导通性,对上述电路做如下改进,D2为C1提供放电回路。
我们在来找找问题:在前面我们已经提到,因Xc1很大而认为C1为一个恒流源,故负载上的电压完全由负载阻抗决定,当负载变化时其两端的电压也随之变化,这并不是我们所期望看到的,所以稳压是我们需要考虑的一步。
此时,稳压二极管又有了它的用武之地,同时考虑到其与普通二极管的共性,故可对上述电路做如下改进,将D2普通二极管改为D3稳压二极管。

如若再联系下实际,上述电路的设计还未完。一般在进行电路设计时,电源端都会加入开关,当开关断开时,C1又会存在放电回路问题了,此时又该如何避免这个问题呢?是的,直接在C1上并联电阻以提供放电回路,阻值一般为几百K,电路如下图示:
R1和C1的取值,以下可作为一个参考:

到此,基本上完成了电容降压电路原理图的设计。
2 参数计算
总体思路是:先根据负载功耗情况,确定负载电流大小,然后再计算所需电容值的大小。
对稳压管的选择,亦要综合考虑成本、稳压值、 稳压二极管正常工作的反向电流值及能承受的最大反向电流值(要大于总电流值,当负载开路时,才不会烧坏)等
3 注意事项
将压电容为无极性电容,且耐压必须在400V以上;
电容降压不适合动态负载,也不适合容性和感性负载;
因未与市电隔离,需注意安全,严防接触导电,电路应该放在一般接触不到的地方;
维修时不能随意更换电容值;
不能用在大功率场合,及负载变化或者不确定的场合;
降压电容一般要接在火线上(纯交流电路除外),电路的零、火线不能接反,这一点可以用三脚插头来强制或标注清楚;
主要根据负载的电流大小和交流电频率来选择电容;
题外话,为什么不用电感或电阻来降压?
电阻降压有但是较少,应用场合和电容降压一样,但电阻功耗大。电感降压呢?原理和电容一样,但估计精确的电感不好做,没有电容容易得到,所以没有用电感。
路灯控制系统工作原理
白天光伏电池向蓄电池充电,晚上蓄电池提供电力供路灯照明。所以蓄电池将构成一个充放电循环。太阳能路灯照明控制电路包括光伏电池、蓄电池、路灯和控制器四部分。
1、设计中采用AT89S52单片机,并将其作为智能核心模块。外围电路主要包括太阳能电池电压采样模块、蓄电池电压采样模块、键盘电路模块、LED显示模块、充放电控制模块等。
2、下图是太阳能路灯控制器结构设计图。

3、太阳能路灯控制器选择ATMEL公司的8位单片机AT89S52为核心的智能控制模块,在整体上具有低功耗、性能高的特点。
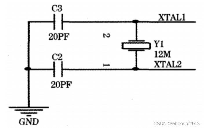
单片机振荡电路
单片机振荡电路如下图所示。

复位电路
1、复位电路如下图所示,电路结构简单,稳定可靠。

2、系统正常工作电压为5V,系统采用12V/24V的铅酸蓄电池供电,蓄电池电压不稳定,所以需要对电源进行稳压。本系统采用LM7805三端稳压器,其输入电压在5~24V时均可以保证输出为稳定的+5V。LM7805组成稳压电源只需要很少的外围元件,使用起来非常方便,工作稳定可靠J。
系统电源电路如下图所示。

3、太阳能电池采样和蓄电池采样对于系统正常运行起着非常重要的作用。
3.1、太阳能路灯控制器要对蓄电池充放电进行合理控制,即需对蓄电池、太阳能电池板电压进行采样。为此,AT89S52单片机就要外接A/D转换模块,把电压转换为数字信号,系统选用v/F转换芯片LM331组成数模转换电路J。
3.2、在系统采样设计中,为了防止因为外部因素导致AT89S52程序跑飞或死机,提高系统稳定性,在LM331与单片机之间还需增加单通道的高速光电隔离器6n137J。下图为太阳能电池板采样电路图。系统蓄电池采样和太阳能电池板采样电路相同。
4、照明系统框图如下图所示。
5、LED太阳能节能灯照明系统框图:
5.1、单片机经由检测电路检测太阳能发电板所发出来的电压,并由1组A/DCl的转换值来判断是否已天黑。
5.2、当光线充足时,将太阳能发电板所发出的电送至定电压电路,此时,单片机也会由其A/DC1转换值来监控充电电池的电量,并以绿色、黄色与红色的LED来表示充电电池的电量。单片机以定电压的方式来对充电电池充电,只要定电压电路的最大输出电压值依充电电池的规格来设定,就不会发生电池过充而损坏的情形。
5.3、当光线不足(天黑)时,单片机经由A/DC1的转换值检测到太阳能发电板发出的电压已接近于零,此时,单片机会依此A/DC1转换后数值来判断是否点亮LED灯,当此A/DC1转换后的值低于某一临界值时,该值越小,则单片机会输出一脉宽越宽的PWM信号,使LED灯的亮度越亮。
5.4、如果仅靠太阳能电池来对充电电池充电,其充电量可能不足以提供LED灯点亮一整晚。所以我们预计入夜后,此太阳能灯约只点亮6h,此时大约已过深夜12点。
5.5、另外,我们再加入光敏电阻与人体红外线检测器,当太阳能灯点亮6h而熄灭后,如果光敏电阻检测到有车辆驶近,或者人体红外线检测器侦测到有人靠近时,则LED灯会再点亮数分钟,以作照明之用。如此,仅靠太阳能电池的充电量应足以供此LED灯使用。
6、定压、稳压电路
定压、稳压电路如下图所示。

7、设计中,HT7544是1只4.4V的稳压块,把HT7544的GND脚接地,其输入脚(in)输入的电压大于4.4V,其输出脚(out)会固定输出4.4V的电压。因为HT7544的输出脚(out)电压~LGND大于4-4V,所以流过电阻Rl的电流为 
8、在本设计中,单片机HT46R23需要的5v稳压电源通过集成稳压块HT7551来供给。HT7551的GND脚接地,其输人脚(in)输入大于5V的电压时,输出脚(out)会固定输出5V的电压。两只10k1)的电阻R3与R4作分压电路,其分压后之电压流人单片机HT46R23的A/DC2转换接脚(PB2),以供单片机检测充电电池的电压。
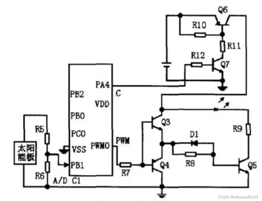
9、LED驱动电路
LED的驱动电路如下图所示。 
10、驱动电路中,PWM信号由单片机HT46R23的PWMO端输出。
10.1、由上图可知,太阳能发电板所发出来的电压通过电阻R5与R6的分压电路取出。因为,使用的太阳能发电板的工作电压为7.5v,而单片机A/DCl转换的类比输入电压最大为5v,使用两只10kQ的电阻R5与R6来作分压电路,使流入单片机A/DC1转换(PB1)的电压为太阳能发电板所输出电压的一半。
10.2、当A/DC1转换后的数字值小于某1个临界值时,单片机会输出一数字信号c,该信号打开电源控制电路,使电池的电能流人驱动电路中。同时,输出PWM的信号以点亮LED灯。A/Dc1转换后的数字值越小,单片机输出PWM的脉波宽度越宽。
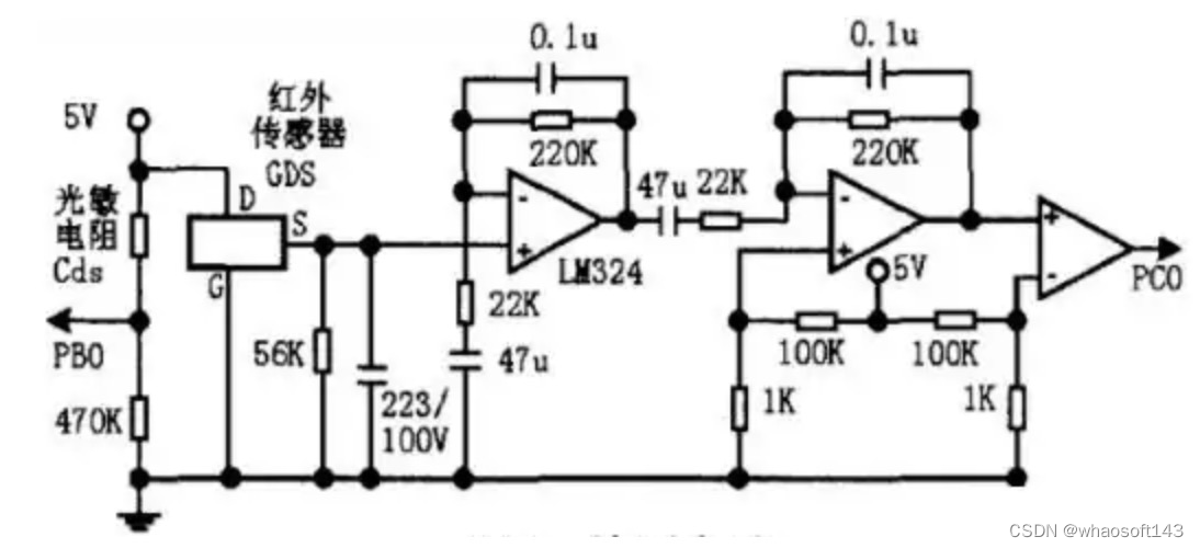
11、检测电路
检测电路如下图所示。光敏电阻(Cds)与人体红外线传感器(GDS),分别检测车辆灯光与人体的红外线。 
12、定压、稳压电路
12.1、上图的最左边是光敏电阻,为检测车灯的电路。光敏电阻受光越强,其电阻值越小。在夜晚时,光敏电阻的电阻值变大,单片机HT46R23的PB0所检测到的电压值较小;当车灯照射到光敏电阻时,光敏电阻的电阻值就会变小,单片机之PB0检测到的电压值就会比较大。
12.2、因此在夜晚,当单片机的PB0所检测到的电压值大于某临界值时,即表示有车辆接近,则单片机将点亮LED灯。
12.3、图中的人体红外线传感器的检测电路是当有人进入检测范围时,人体红外线传感器会发出1个小脉波,因为此小脉波的功率很小,需要经过几次放大器(LM324)的放大,其信号才能有效地被单片机接收,所以平时无人进人人体红外线检测器的检测范围时,此电路的输出为低电位;当单片机的PC0收到高电位时,表示有人进人人体红外线传感器的检测范围,单片机将点亮LED照明灯。 whaosoft aiot http://143ai.com
(1)在成品上方的太阳能发电板有受光的情形下,其输出是否有7.5V以上的太阳能发电板之工作电压。
(2)如果上述测试正常的话,在未接充电电池的情形下,定电压电路.HT7544的输出端应该会有约6V的电压输出。流经1个整流二极管后,约为5.4v的电压,以供充电电池充电之用。
(3)将充电电池接至电路中稳压电路,HT7551会输出5V的电压给单片机使用。
(4)以不透光物质遮蔽太阳能发电板,以模拟人夜的情形。当单片机的PB1所检测到的太阳能发电板的输出电压值小于某一临界值时,表示天色已暗。此时,单片机会输出一高电位给控制信号c,以打开电源控制电路,使电池的电能流人LED驱动电路中。同时,单片机会输出FWM信号以点亮LED灯。6h的时间较长,此时让LED灯持续点亮1min,以模拟点亮6h,6h后应已过深夜,人车已少,所以熄灭LED灯。
(5)当已过6h而LED灯熄灭后,如果有人车接近,则装在PB0的光敏电阻或装在PCO的人体红外线检测器应会感应到车灯或人体所发出来的红外线。此时,单片机会再点亮LED灯约30S,以作警示或照明之用。此情形直到单片机的PB1所检测到的太阳能发电板所输出的电压值大于某1个临界值时,表示天色已亮,程式再回到开始的状态。
接线说明
1、 先接蓄电池的连接线
2、 再接蓄电池到控制器的线
3、 再接太阳能板到控制器的线
4、 最后接负载到控制器的线
5、 负载为低压钠灯时,在做灯具的时候应该先把整流器的输出端接光源的两端的线先连接好(低压钠灯光源无正负极可任意连接)。把整流器的输入端连接两根足够长的线(要能区分正负极)。在最后接负载到控制器的接线时注意正负极不能接反。
一条程序写好了,要把它从PC机下载到PLC中去,就需要PPI电缆,一端接PC机RS232口,一端接PLC RS485口,它是实现PC机与PLC通信的传输介质。

现在用RS232口的不多了,即使有用,也是USB-PPI,也就是直接接到PC机的USB端口。
为什么哪?因为,S7-200PLC现在用的已经不多了,而PPI电缆是S7-200PLC的专有附件,可别小看这么个小玩意,缺它不行,想要得到它,购买PLC也得另外加钱,就像苹果手机一样,买了手机了,不给你配充电器,想要可以,加钱!你说气人不!不过还好,现在市面上的国产货一堆。 
关于这个媒介,就说这么一些,其实,知道它是个什么玩意就行了,就是一普通的屏蔽双绞线。S7-200PLC CUP上集成编程接口,还是它的网口,利用该网口连接PPI通信网络。
在该网络中,在没有中继器的情况下,最多可以接31个通信终端,有效传输距离为50米,通信速率最高可达187.5K/s(理论数据),距离越远,速率越慢。若是在网络中加了中继器,可以将通信距离扩展到公里以外的地方。
说了它的通信媒介,还有它的接口方式,再就要说下它的通信协议了。
PPI通信协议是西门子专门为S7-200PLC量身定做的通信协议。该通信协议采用主、从方式,允许多主站,主站可以是PC机,也可以是触摸屏、PLC等设备,但是一个网络上不允许超过32台主站,从站为PLC。
主站发出读、写指令,从站响应并发出响应信息,主站收到相应信息后发出确认信息,从站收到确认信息后完成读、写操作并返回相应的数据。主、从站如此来回的收发两次数据即完成一次读、写数据的过程。
再看一下它的通信数据格式,以主站设备读取某一从站设备的数据为例,如图:
SD为起始符,LE为数据长度,LE=LEr,DA为目标地址,SA为主机地址,FC为功能码,CC、GU为数据码,DU为数据单元,FCS为校验码,ED为结束符。
要读从机的一个数据,这就是它标准的帧格式。
本篇就说这么些吧,感觉比较零碎,凑合凑合吧,反正现在用的也不多了,现在都SMART,以太网了!与其相比,它落伍多了!
自我感觉,还是了解下好点,毕竟曾经也是红极一时的存在。
单片机执行指令
我们来思考一个问题,当我们在编程器中把一条指令写进单片机内部,然后取下单片机,单片机就可以执行这条指令。
那么这条指令一定保存在单片机的某个地方,并且这个地方在单片机掉电后依然可以保持这条指令不会丢失,这是个什么地方呢?
这个地方就是单片机内部的只读存储器即ROM(READ ONLY MEMORY)。
为什么称它为只读存储器呢?刚才我们不是明明把两个数字写进去了吗?原来在89C51中的ROM是一种电可擦除的ROM,称为FLASH ROM,刚才我们是用的编程器,在特殊的条件下由外部设备对ROM进行写的操作,在单片机正常工作条件下,只能从那面读,不能把数据写进去,所以我们还是把它称为ROM。
单片机数的本质和物理现象
我们知道,计算机可以进行数学运算,这令我们非常难以理解,它们只是一些电子元器件,怎么可以进行数学运算呢?
我们人类做数学题如37+45是这样做的,先在纸上写37,然后在下面写45,然后大脑运算最后写出结果,运算的原材料是37和45,结果是82都是写在纸上的,计算机中又是放在什么地方呢?
为了解决这个问题,先让我们做一个实验:这里有一盏灯,我们知道灯要么亮,要么不亮,就有两种状态,我们可以用‘0’和‘1’来代替这两种状态:规定亮为‘1’、不亮为‘0’。
现在放上三盏灯,一共有几种状态呢?我们列表来看一下:000 / 001 / 010 / 011 / 100 / 101 / 110 / 111。我们来看,这个000 / 001 / 101 不就是我们学过的的二进制数吗?本来,灯的亮和灭只是一种物理现象,可当我们把它们按一定的顺序排好后,灯的亮和灭就代表了数字了。
让我们再抽象一步,灯为什么会亮呢?是因为输出电路输出高电平,给灯通了电。因此,灯亮和灭就可以用电路的输出是高电平还是低电平来替代了。这样,数字就和电平的高、低联系上了。
单片机数位的含义
通过上面的实验我们已经知道:一盏灯亮或者说一根线的电平的高低,可以代表两种状态:0和1,实际上这就是一个二进制位。
因此我们就把一根线称之为一“位”,用BIT表示。
单片机字节的含义
一根线可以表示0和1,两根线可以表达00 / 01 / 10 / 11四种状态,也就是可以表达0~3,而三根可以表达0~7,计算机中通常用8根线放在一起,同时计数,就可以表示0~255一共256种状态。
这8根线或者8位就称之为一个字节(BYTE)。
单片机存储器的构造
存储器就是用来存放数据的地方。它是利用电平的高低来存放数据的,也就是说,它存放的实际上是电平的高、低,而不是我们所习惯认为的1234这样的数字,这样,我们的一个谜团就解开了。
一个存储器就象一个个的小抽屉,一个小抽屉里有八个小格子,每个小格子就是用来存放“电荷”的,电荷通过与它相连的电线传进来或释放掉。至于电荷在小格子里是怎样存的,就不用我们操心了,你可以把电线想象成水管,小格子里的电荷就象是水,那就好理解了。存储器中的每个小抽屉就是一个放数据的地方,我们称之为一个“单元”。
有了这么一个构造,我们就可以开始存放数据了,想要放进一个数据12,也就是00001100,我们只要把第二号和第三号小格子里存满电荷,而其它小格子里的电荷给放掉就行了。
可是问题出来了,一个存储器有好多单元,线是并联的,在放入电荷的时候,会将电荷放入所有的单元中,而释放电荷的时候,会把每个单元中的电荷都放掉。这样的话,不管存储器有多少个单元,都只能放同一个数,这当然不是我们所希望的。因此,要在结构上稍作变化。
需要在每个单元上有个控制线,想要把数据放进哪个单元,就把一个信号给这个单元的控制线,这个控制线就把开关打开,这样电荷就可以自由流动了。而其它单元控制线上没有信号,所以开关不打开,不会受到影响。
这样,只要控制不同单元的控制线,就可以向各单元写入不同的数据了。同样,如果要从某个单元中取数据,也只要打开相应的控制开关就行了。
单片机存储器的译码
那么,我们怎样来控制各个单元的控制线呢?这个还不简单,把每个单元的控制线都引到集成电路的外面不就行了吗?
事情可没那么简单,一片27512存储器中有65536个单元,把每根线都引出来,这个集成电路就得有6万多个脚?不行,怎么办?要想法减少线的数量。
有一种方法称这为译码,简单介绍一下:一根线可以代表2种状态,2根线可以代表4种状态,3根线可以代表8种,256种状态又需要几根线代表?8根线,所以65536种状态我们只需要16根线就可以代表了。
单片机存储器的选片概念
至此,译码的问题解决了,让我们再来关注另外一个问题。送入每个单元的八根线是用从什么地方来的呢?它就是从计算机上接过来的,一般地,这八根线除了接一个存储器之外,还要接其它的器件。
这样问题就出来了,这八根线既然不是存储器和计算机之间专用的,如果总是将某个单元接在这八根线上,就有问题出现了:比如这个存储器单元中的数值是0FFH另一个存储器的单元是00H,那么这根线到底是处于高电平,还是低电平?怎样分辩?
办法很简单,当外面的线接到集成电路的引脚进来后,不直接接到各单元去,中间再加一组开关就行了。平时我们让开关打开着,如果确实是要向这个存储器中写入数据,或要从存储器中读出数据,再让开关接通就行了。
这组开关由三根引线选择:读控制端、写控制端和片选端。要将数据写入片中,先选中该片,然后发出写信号,开关就合上了,并将传过来的数据(电荷)写入片中。如果要读,先选中该片,然后发出读信号,开关合上,数据就被送出去了。
读和写信号同时还接入到另一个存储器,但是由于片选端不同,所以虽有读或写信号,但没有片选信号,所以另一个存储器不会“误会”而开门,造成冲突。那么会不同时选中两片芯片呢?
只要是设计好的系统就不会,因为它是由计算控制的,而不是我们人来控制的,如果真的出现同时出现选中两片的情况,那就是电路出了故障了,这不在我们的讨论之列。
单片机的总线概念
从上面的介绍中我们已经看到,用来传递数据的八根线并不是专用的,而是很多器件大家共用的。
所以我们称之为数据总线,总线英文名为BUS,总即公交车道,谁也可以走。而十六根地址线也是连在一起的,称之为地址总线。