DMA(Direct Memory Access)直接存储器存取
DMA可以提供外设和存储器【各外设的数据寄存器DR 与 运行内存SRAM和程序存储器Flash】或者存储器和存储器之间的高速数据传输,无须CPU干预,节省了CPU的资源
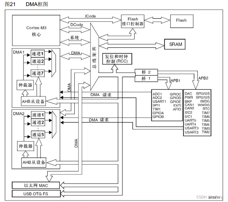
12个独立可配置的通道: DMA1(7个通道), DMA2(5个通道)
每个通道都支持软件触发【存储器到存储器】和特定的硬件触发【ADC数据寄存器、串口的数据寄存器、定时器寄存器等】
STM32F103C8T6 DMA资源:DMA1(7个通道)
stm32的存储器

ROM的存储单元采用的是浮栅场效应管,断电可以长期保留电子,E2PROM是电可擦除。FLASH和E2PROM类似,但是E2PROM是以字节为单元进行擦除,而FLASH可以以扇区为单位
RAM的读取速度与该数据单元的位置无关,存储单元采用双稳态触发器或电容。可以分为动态和静态,动态的存储单元是电容,需要周期性的充电(刷新)以保存数据,静态的速度要快,存储单元是双稳态的触发器,存储容量比动态的少,因为发热高。
计算机系统组成部分:运算器,控制器,存储器,输入设备,输出设备。【CPU=运算器+控制器】
stm32参考手册的图

STM32的CPU是32位:总线的最大寻址范围是4GB,所以最大只支持4GB的存储器
地址0存储器的内容取决于Boot0/1引脚,即可以把想要最初执行的程序映射放到0位置上,可选择Flash程序存储器或BootLoader系统存储器或SRAM
通过存储器映像可知,查找某个寄存器的地址,首先查找该寄存器所在外设的起始地址,然后查找该寄存器的偏移。寄存器的地址=外设寄存器偏移+外设起始地址
OLED_ShowHexNum(2, 1, (uint32_t)&ADC1->DR, 8);//展示ADC1的DR寄存器地址因为&ADC1是结构体指针,由宏定义可知ADC1的基地址是由外设起始地址不断偏移得到的
#define ADC1 ((ADC_TypeDef *) ADC1_BASE)//ADC1基地址
#define ADC1_BASE (APB2PERIPH_BASE + 0x2400)//ADC1外设起始地址
#define APB2PERIPH_BASE (PERIPH_BASE + 0x10000)//APB2总线起始地址
#define PERIPH_BASE ((uint32_t)0x40000000)//外设起始地址寄存器的地址需要用结构体偏移来实现,指针指向的地址就是外设的起始地址,也就是说内存里面ADC外设所有寄存器的地址都映射到结构体里面每个寄存器的地址,访问结构体成员就是访问外设的某个寄存器
typedef struct
{__IO uint32_t SR;..................略 ,结构体成员刚好一一映射ADC的每一个寄存器__IO uint32_t DR;
} ADC_TypeDef;


方向是控制源地址和目的地址
存储器到存储器包含两种:Flash到SRAM和SRAM到SRAM
数据宽度:字节8位、半字16位、字32位
地址是否自增:在ADC扫描模式用DMA进行转运时,ADC的数据寄存器就不需要地址自增
传输计数器:指定总共需要转运几次,是自减计数器,当减到0时,源数据的地址(在自增的情况下)就会恢复到最初的地址
自动重装器:当传输计数器减到0的时候,传输计数器是否自动恢复到最初的值
M2M决定是软件触发还是硬件触发
写传输计数器时,必须先关闭开关控制

硬件触发就需要开启相应的DMA输出,例如:ADC_DMACmd()。而软件触发就执行DMA_SetCurrDataCounter()需要配置传递的个数以及传递的通道
数据宽度:
关于数据宽度

DMA.c
#include "stm32f10x.h" // Device headeruint16_t MyDMA_Size;void MyDMA_Init(uint32_t AddrA, uint32_t AddrB, uint16_t Size)
{MyDMA_Size = Size;RCC_AHBPeriphClockCmd(RCC_AHBPeriph_DMA1, ENABLE);//DMA1在AHB总线下DMA_InitTypeDef DMA_InitStructure;DMA_InitStructure.DMA_PeripheralBaseAddr = AddrA;//起始地址DMA_InitStructure.DMA_PeripheralDataSize = DMA_PeripheralDataSize_Byte;//数据宽度DMA_InitStructure.DMA_PeripheralInc = DMA_PeripheralInc_Enable;//是否自增DMA_InitStructure.DMA_MemoryBaseAddr = AddrB;//此处地址不是固定的,通过动态读取变量的地址值DMA_InitStructure.DMA_MemoryDataSize = DMA_MemoryDataSize_Byte;DMA_InitStructure.DMA_MemoryInc = DMA_MemoryInc_Enable;DMA_InitStructure.DMA_DIR = DMA_DIR_PeripheralSRC;//指定外设站点是目的地还是源地址,Peripheral=外设站点。DST=destination目的地,SRC源地址DMA_InitStructure.DMA_BufferSize = Size;//缓冲区大小=传输计数器DMA_InitStructure.DMA_Mode = DMA_Mode_Normal;//是否自动重装DMA_InitStructure.DMA_M2M = DMA_M2M_Enable;//m2m输出1开启软件触发DMA_InitStructure.DMA_Priority = DMA_Priority_Medium;//转运的优先级DMA_Init(DMA1_Channel1, &DMA_InitStructure);//选择DMA1的通道1,软件触发任意通道都行DMA_Cmd(DMA1_Channel1, DISABLE);//先失能,调用MyDMA_Transfer才开始转运
}//ADC单次转换需要写代码去触发ADC开始,DMA单次模式,需要开关控制器以写入传输计数器
//ADC循环转换只需要在初始化的时候开启一次,DMA循环模式,不需要开关控制器以写入传输计数器
void MyDMA_Transfer(void)
{//写传输计数器时,必须先关闭开关控制DMA_Cmd(DMA1_Channel1, DISABLE);DMA_SetCurrDataCounter(DMA1_Channel1, MyDMA_Size);//给传输计数器写数据DMA_Cmd(DMA1_Channel1, ENABLE);while (DMA_GetFlagStatus(DMA1_FLAG_TC1) == RESET);//等待转运完成,参数DMA1_FLAG_TC1是转运完成标志位DMA_ClearFlag(DMA1_FLAG_TC1);
}
main.c
#include "stm32f10x.h" // Device header
#include "Delay.h"
#include "OLED.h"
#include "MyDMA.h"uint8_t DataA[] = {0x01, 0x02, 0x03, 0x04};
uint8_t DataB[] = {0, 0, 0, 0};int main(void)
{OLED_Init();MyDMA_Init((uint32_t)DataA, (uint32_t)DataB, 4);OLED_ShowString(1, 1, "DataA");OLED_ShowString(3, 1, "DataB");OLED_ShowHexNum(1, 8, (uint32_t)DataA, 8);//展示变量的地址OLED_ShowHexNum(3, 8, (uint32_t)DataB, 8);while (1){DataA[0] ++;DataA[1] ++;DataA[2] ++;DataA[3] ++;OLED_ShowHexNum(2, 1, DataA[0], 2);OLED_ShowHexNum(2, 4, DataA[1], 2);OLED_ShowHexNum(2, 7, DataA[2], 2);OLED_ShowHexNum(2, 10, DataA[3], 2);OLED_ShowHexNum(4, 1, DataB[0], 2);OLED_ShowHexNum(4, 4, DataB[1], 2);OLED_ShowHexNum(4, 7, DataB[2], 2);OLED_ShowHexNum(4, 10, DataB[3], 2);Delay_ms(1000);MyDMA_Transfer();OLED_ShowHexNum(2, 1, DataA[0], 2);OLED_ShowHexNum(2, 4, DataA[1], 2);OLED_ShowHexNum(2, 7, DataA[2], 2);OLED_ShowHexNum(2, 10, DataA[3], 2);OLED_ShowHexNum(4, 1, DataB[0], 2);OLED_ShowHexNum(4, 4, DataB[1], 2);OLED_ShowHexNum(4, 7, DataB[2], 2);OLED_ShowHexNum(4, 10, DataB[3], 2);Delay_ms(1000);}
}
ADC扫描模式+DAM


AD.c
ADC连续扫描+DMA循环转运
#include "stm32f10x.h" // Device headeruint16_t AD_Value[4];//定义在SRAM里面的变量 void AD_Init(void)
{RCC_APB2PeriphClockCmd(RCC_APB2Periph_ADC1, ENABLE);RCC_APB2PeriphClockCmd(RCC_APB2Periph_GPIOA, ENABLE);RCC_AHBPeriphClockCmd(RCC_AHBPeriph_DMA1, ENABLE);RCC_ADCCLKConfig(RCC_PCLK2_Div6);GPIO_InitTypeDef GPIO_InitStructure;GPIO_InitStructure.GPIO_Mode = GPIO_Mode_AIN;GPIO_InitStructure.GPIO_Pin = GPIO_Pin_0 | GPIO_Pin_1 | GPIO_Pin_2 | GPIO_Pin_3;GPIO_InitStructure.GPIO_Speed = GPIO_Speed_50MHz;GPIO_Init(GPIOA, &GPIO_InitStructure);//配置通道与序列ADC_RegularChannelConfig(ADC1, ADC_Channel_0, 1, ADC_SampleTime_55Cycles5);ADC_RegularChannelConfig(ADC1, ADC_Channel_1, 2, ADC_SampleTime_55Cycles5);ADC_RegularChannelConfig(ADC1, ADC_Channel_2, 3, ADC_SampleTime_55Cycles5);ADC_RegularChannelConfig(ADC1, ADC_Channel_3, 4, ADC_SampleTime_55Cycles5);ADC_InitTypeDef ADC_InitStructure;ADC_InitStructure.ADC_Mode = ADC_Mode_Independent;ADC_InitStructure.ADC_DataAlign = ADC_DataAlign_Right;ADC_InitStructure.ADC_ExternalTrigConv = ADC_ExternalTrigConv_None;ADC_InitStructure.ADC_ContinuousConvMode = ENABLE;//连续扫描,只要一次触发ADC_InitStructure.ADC_ScanConvMode = ENABLE;//扫描模式ADC_InitStructure.ADC_NbrOfChannel = 4;//扫描通道个数ADC_Init(ADC1, &ADC_InitStructure);DMA_InitTypeDef DMA_InitStructure;DMA_InitStructure.DMA_PeripheralBaseAddr = (uint32_t)&ADC1->DR;DMA_InitStructure.DMA_PeripheralDataSize = DMA_PeripheralDataSize_HalfWord;//半字传输DMA_InitStructure.DMA_PeripheralInc = DMA_PeripheralInc_Disable;DMA_InitStructure.DMA_MemoryBaseAddr = (uint32_t)AD_Value;//如果变量为地址值,需要强制转化为uint32_tDMA_InitStructure.DMA_MemoryDataSize = DMA_MemoryDataSize_HalfWord;DMA_InitStructure.DMA_MemoryInc = DMA_MemoryInc_Enable;DMA_InitStructure.DMA_DIR = DMA_DIR_PeripheralSRC;DMA_InitStructure.DMA_BufferSize = 4;DMA_InitStructure.DMA_Mode = DMA_Mode_Circular;//循环模式DMA_InitStructure.DMA_M2M = DMA_M2M_Disable;//硬件触发DMA_InitStructure.DMA_Priority = DMA_Priority_Medium;DMA_Init(DMA1_Channel1, &DMA_InitStructure);//ADC1的硬件触发只能是DMA1通道上DMA_Cmd(DMA1_Channel1, ENABLE);ADC_DMACmd(ADC1, ENABLE);//硬件触发需要打开通道ADC_Cmd(ADC1, ENABLE);//开启ADC到DMA的输出//固定校准ADC_ResetCalibration(ADC1);while (ADC_GetResetCalibrationStatus(ADC1) == SET);ADC_StartCalibration(ADC1);while (ADC_GetCalibrationStatus(ADC1) == SET);ADC_SoftwareStartConvCmd(ADC1, ENABLE);
}
main.c
#include "stm32f10x.h" // Device header
#include "Delay.h"
#include "OLED.h"
#include "AD.h"int main(void)
{OLED_Init();AD_Init();OLED_ShowString(1, 1, "AD0:");OLED_ShowString(2, 1, "AD1:");OLED_ShowString(3, 1, "AD2:");OLED_ShowString(4, 1, "AD3:");while (1){OLED_ShowNum(1, 5, AD_Value[0], 4);OLED_ShowNum(2, 5, AD_Value[1], 4);OLED_ShowNum(3, 5, AD_Value[2], 4);OLED_ShowNum(4, 5, AD_Value[3], 4);Delay_ms(100);}
}
关于位段
上一篇:2022美亚个人赛复盘