本章节采用工程设计的方法,推导转速环PI调节器参数的计算公式,由此来设计永磁同步电机磁场定向控制的转速外环PI调节器参数,并通过Matlab/Simulink对设计的PI调节器进行Bode图分析,最后通过一个设计实例进行仿真验证。
有关永磁同步电机磁场定向控制请阅读:
永磁同步电机(PMSM)磁场定向控制(FOC)及Matlab/Simulink仿真分析
有关永磁同步电机磁场定向控制电流环PI参数整定请阅读:
永磁同步电机(PMSM)磁场定向控制(FOC)电流环PI调节器参数整定
要实现调节器的工程设计方法,首先要简化问题,突出设计的主要矛盾。简化的基本思路就是把调节器的设计过程分成两步:
1、选择调节器的结构,以确保系统稳定,同时满足所需要的稳态精度
2、再选择调节器的参数,以满足系统动态性能指标的要求
选择调节器的结构,使系统能满足所需要的稳态精度,这是设计过程中的第一步。由于III型及III型以上的系统很难稳定,因此常把I型系统和II型系统作为系统设计的目标。
工程设计方法的原则是:先设计内环后设计外环,上一章节设计了永磁同步电机磁场定向控制的电流内环PI调节器,本章节接着设计转速外环PI调节器,不同于将电流内环校正为典型I型系统,转速外环的设计目标是将系统校正为典型II型系统。
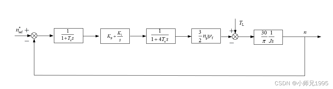
控制系统的数学模型是进行设计的基础,下图为转速环的结构框图:



将电流环的等效传递函数填入转速环的结构框图如下:

通过下述处理,进一步简化转速环的结构框图:

简化后的转速环结构框图为:








如下图红线位置所示:




有关永磁同步电机磁场定向的电流闭环控制的详细分析,请阅读:
永磁同步电机(PMSM)磁场定向控制(FOC)及Matlab/Simulink仿真分析


电机参数如下:

设定系统采样频率为20KHz,即Ts=0.00005s,h设计为2.1,由转速环PI调节器参数计算公式得:

绘制该系统开环Bode图如下:

该系统的截止频率wc为357rad/s,相角裕度为79.8度
该系统的闭环Bode图如下:

该系统的带宽频率约为432rad/s
将Kp=0.0029,Ki=0.0907带入仿真模型的转速环PI调节器中,上一章节计算出的电流内环PI参数Kp=5.25,Ki=3750带入两个电流环调节器中,进行仿真分析:
电机转速:

电子电流:

同步旋转坐标系下的定子电流Id、Iq:

同步旋转坐标系下的定子电压:

电磁转矩:

本章节采用工程设计的方法,推导出了转速环PI调节器参数的计算公式,由此来设计永磁同步电机磁场定向控制的转速外环PI调节器参数,并通过Matlab/Simulink对设计的PI调节器进行了Bode图分析,最后通过一个设计实例进行了仿真验证,为后续章节的分析奠定基础。
模型及代码工程获取:
