LM1117系列正可调和固定调节器设计提供1A高电流效率。所有内部电路设计为低至1.3V输入输出差。片内微调将参考电压调整为1%

固定电压调节器

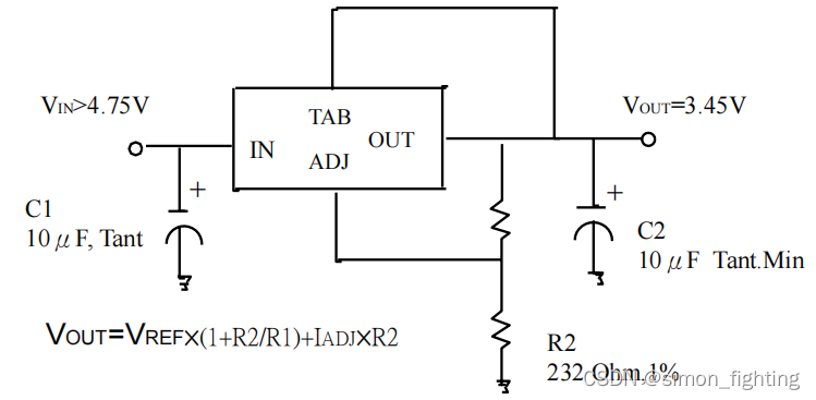
可调电压调节器

注:1)如果设备远离滤波器电容器,则需要C1;
2)稳定性要求的C2最小值

VOUT = VREF * ( R1 + R2 ) / R1,难以理解?
VREF = VOUT *R1/(R1+R2)如果用基尔霍夫电压定律就容易理解
IADJ是ADJ脚的漏电流,通常很小以致可以忽略不计。
VREF通常选为1.25V作为输出和调整端子之间的参考电压;调整端到输出端的电压中1.25V,而不是Vref到地的参考电压是固定的1.25


下一篇:_001_Zotero入门