03 AC-AC变换器(ACAC Converter)简介
创始人
2024-05-24 23:21:15

文章目录

          • 0、 杂记
          • 1、AC-AC变换器概述
          • 2、交流调压电路A 相控交流调压
          • 3、交流调压电路B 三相相控交流电压
          • 4、交流调压电路C 斩控交流电压
          • 5、交流调功电路
          • 6、交-交变频电路A 周波变换器
          • 7、交-交变频电路B 矩阵变换器
          • 8、AC-AC变换器总结

0、 杂记
  • 在复杂的周期性振荡中,包含基波和谐波:
    • 和该振荡最长周期相等的正弦波分量称为基波(比如中国家庭用电,220v,50hz,50hz的正弦震荡即为基波,但因为家庭用电的复杂性,比如大功率家用电器的突然开启,会拉低电压的赋值,对电压产生污染,产生谐波)相应于这个周期的频率称为基本频率,也就是说周期最大(频率最小)且幅度最大的那个就是基波。
  • (1)在复杂的周期性振荡中,包含基波和谐波。和该振荡最长周期相等的正弦波分量称为基波。相应于这个周期的频率称为基本频率。
    • 频率等于基本频率的整倍数的正弦波分量称为谐波;
  • (2)谐波就是对周期性非正弦电量进行傅立叶级数分解,除了得到与基波频率相同的分量,还得到一系列大于基波频率的分量,这部分电量称为谐波。谐波频率与基波频率的比值(n=fn/f1) 称为谐波次数。谐波实际上是一种干扰;
  • (3)法国数学家傅立叶(M.Fourier)分析原理证明,任何重复的波形都可以分解为含有基波频率和一系列为基波倍数的谐波的正弦波分量。谐波是正弦波,每个谐波都具有不同的频率,幅度与相角。谐波可以I区分为偶次与奇次性,第3、5、7次编号的为奇次谐波,而2、1 4,6、8等为偶次谐波,如基波为50Hz时,2次谐波为lOOHz,3次谐波则是150Hz。
    • 由傅里叶级数可知任何周期信号可以分解为 a0+a1cosw0t+a2cosw0t+…+b1sinw0t+b2sinw0t+… 的形式
    • a0为直流分量(0次谐波)。
    • 基波(一次谐波):其频率是信号的主要频率(基频),
    • 谐波:其频率比信号的主要频率高,
1、AC-AC变换器概述
  • 交流三要素:幅值、相位、频率
    在这里插入图片描述
  • AC-AC变换器将一种交流变换波形转换为另一个交流波形,其中输出电压幅值和频率皆可调节
    • (1)改变交流电的幅值(改变输出电压)-》交流调压电路
    • (2)改变电路周期通断 -》交流调功电路
    • (3)改变交流电的频率(改变输出频率)-》交交变频电路(交-交直接变频、交-直-交间接变频)
2、交流调压电路A 相控交流调压
  • 单相阻性(相控用SCR控制)
    • 通过调节晶闸管的触发时刻可调节输出电压的大小
      在这里插入图片描述
  • 单相阻性 + 反并联式连结
    • 有延迟角α,会导致波形缺失一部分。
    • 两SCR不能同时导通
      在这里插入图片描述
      在这里插入图片描述
  • 单相阻感
    在这里插入图片描述
3、交流调压电路B 三相相控交流电压
  • 三相阻性(相控用SCR控制)
    • 三相联结形式不同
      在这里插入图片描述
    • 星形连接(三相四线、三相三线)
      三相电路中3的整数倍次谐波式同相位的,将全部流过零线,零线会有很大的3次及3的整数倍谐波,尤其在α=90°最明显
      在这里插入图片描述
      三相三线电路,其交流调压电路工作原理较三相四线工作原理复杂,其中任一相在导通时必须和另一相构成回路。与三相整流电路类似,电流流通路径有两个SCR,meanwhile为避免交流控制中SCR的过零关断,应该用双脉冲活宽脉冲触发
      在这里插入图片描述
      在这里插入图片描述
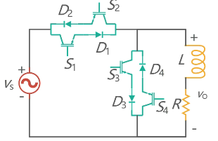
4、交流调压电路C 斩控交流电压
  • 斩控式
    利用“斩波”的原理,同样可以实现对交流电压的调节。
    在这里插入图片描述
    开关S1作为斩波,导通时负载得到电压Vs;开关S2提供续流通道,S1关断时,可为阻感负载提供续流电路
    在这里插入图片描述
    斩控式的优点是输出电压仅包含基波和高次谐波分量,无低次谐波这样在斩波电路的输入和输出配置一定滤波器如C、LC
    在这里插入图片描述
    输入滤波:旁路斩波开关的高次谐波成分,使其不影响输入电源
    输出滤波:使负载得到工频正选电压,滤除高频次谐波
    用功率半导体器件代替理想开关
    在这里插入图片描述
    在这里插入图片描述
5、交流调功电路
  • 交流调压:采用移相或斩波控制对输出电压调节
    在这里插入图片描述
  • 交流调功:对输出电能通断进行控制(传统继电器、固态继电器SSR)
6、交-交变频电路A 周波变换器
  • 单相交交变频
    在这里插入图片描述
    变频器正组工作时,负载电流为正;负组工作时,负载电流为负。让两相按一定频率交替,则得到该频率的交流电。
    • 根据延迟角α变化的不同:
      方波型:其α角不变、谐波成分大、电流单相流通。
      正弦波型:其α角按正弦规律变化、谐波成分较小、电流单相流通。
    • 原理:正组和反组都是三相半波相控电路(正半轴)
      在这里插入图片描述
    • 交交变频电路的负载可以是阻性、阻感、阻容或电动机负载
      在这里插入图片描述在这里插入图片描述
      在这里插入图片描述
7、交-交变频电路B 矩阵变换器
  • 三输入一输出交交变频
    在这里插入图片描述
    正半周用电压最高相斩波
    负半轴用电压最低相斩波
    斩波周期内面积相等原则
    在这里插入图片描述
  • 矩阵变换器
    在这里插入图片描述
    • 相电压输入矩阵变换器
      在这里插入图片描述在这里插入图片描述在这里插入图片描述

    • 线电压输入矩阵变换器
      在这里插入图片描述在这里插入图片描述在这里插入图片描述

    • 三相矩阵变换器
      在这里插入图片描述

8、AC-AC变换器总结

在这里插入图片描述

相关内容

热门资讯

北京的名胜古迹 北京最著名的景... 北京从元代开始,逐渐走上帝国首都的道路,先是成为大辽朝五大首都之一的南京城,随着金灭辽,金代从海陵王...
苗族的传统节日 贵州苗族节日有... 【岜沙苗族芦笙节】岜沙,苗语叫“分送”,距从江县城7.5公里,是世界上最崇拜树木并以树为神的枪手部落...
怎么样的桃花 桃花近看远看的样... 今年的“三八”妇女节,阳光明媚,踏青赏花正当时。遂与姐妹们共赴十里蓝山,与花海来一场春天的约会。十里...
应用未安装解决办法 平板应用未... ---IT小技术,每天Get一个小技能!一、前言描述苹果IPad2居然不能安装怎么办?与此IPad不...
长白山自助游攻略 吉林长白山游... 昨天介绍了西坡的景点详细请看链接:一个人的旅行,据说能看到长白山天池全凭运气,您的运气如何?今日介绍...
脚上的穴位图 脚面经络图对应的... 人体穴位作用图解大全更清晰直观的标注了各个人体穴位的作用,包括头部穴位图、胸部穴位图、背部穴位图、胳...
demo什么意思 demo版本... 618快到了,各位的小金库大概也在准备开闸放水了吧。没有小金库的,也该向老婆撒娇卖萌服个软了,一切只...
世界上最漂亮的人 世界上最漂亮... 此前在某网上,选出了全球265万颜值姣好的女性。从这些数量庞大的女性群体中,人们投票选出了心目中最美...
猫咪吃了塑料袋怎么办 猫咪误食... 你知道吗?塑料袋放久了会长猫哦!要说猫咪对塑料袋的喜爱程度完完全全可以媲美纸箱家里只要一有塑料袋的响...
北京的名胜古迹 北京最著名的景... 北京从元代开始,逐渐走上帝国首都的道路,先是成为大辽朝五大首都之一的南京城,随着金灭辽,金代从海陵王...
苗族的传统节日 贵州苗族节日有... 【岜沙苗族芦笙节】岜沙,苗语叫“分送”,距从江县城7.5公里,是世界上最崇拜树木并以树为神的枪手部落...
怎么样的桃花 桃花近看远看的样... 今年的“三八”妇女节,阳光明媚,踏青赏花正当时。遂与姐妹们共赴十里蓝山,与花海来一场春天的约会。十里...
长白山自助游攻略 吉林长白山游... 昨天介绍了西坡的景点详细请看链接:一个人的旅行,据说能看到长白山天池全凭运气,您的运气如何?今日介绍...
应用未安装解决办法 平板应用未... ---IT小技术,每天Get一个小技能!一、前言描述苹果IPad2居然不能安装怎么办?与此IPad不...
世界上最漂亮的人 世界上最漂亮... 此前在某网上,选出了全球265万颜值姣好的女性。从这些数量庞大的女性群体中,人们投票选出了心目中最美...
脚上的穴位图 脚面经络图对应的... 人体穴位作用图解大全更清晰直观的标注了各个人体穴位的作用,包括头部穴位图、胸部穴位图、背部穴位图、胳...
猫咪吃了塑料袋怎么办 猫咪误食... 你知道吗?塑料袋放久了会长猫哦!要说猫咪对塑料袋的喜爱程度完完全全可以媲美纸箱家里只要一有塑料袋的响...
demo什么意思 demo版本... 618快到了,各位的小金库大概也在准备开闸放水了吧。没有小金库的,也该向老婆撒娇卖萌服个软了,一切只...