产品型号:VK2C23A/B
产品品牌:永嘉微电/VINKA
封装形式:LQFP64/48
可定制:DICE(COB邦定片);COG(邦定玻璃用)
产品年份:新年份
原厂 工程服务,技术支持!
VK2C23A/B概述:
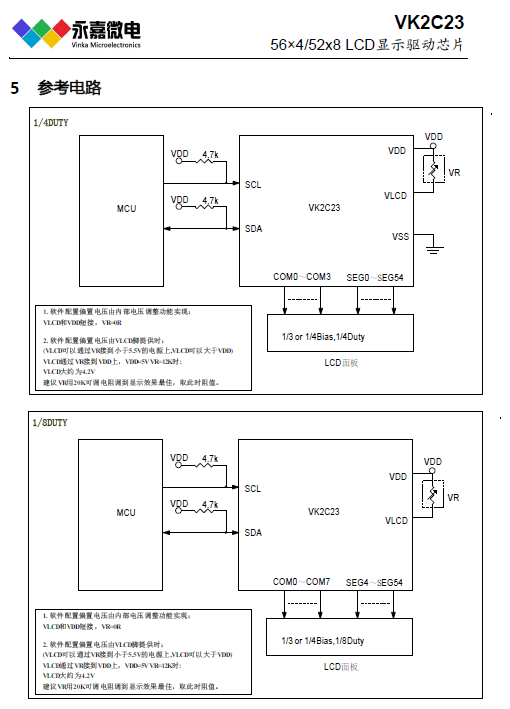
VK2C23A/B是一个点阵式存储映射的LCD驱动器,可支持最大224点(56SEGx4COM)或者最大416点(52SEGx8COM)的LCD屏。单片机可通过I2C接口配置显示参数和读写显示数据,也可通过指令进入省电模式。其高抗干扰,低功耗的特性适用于水电气表以及工控仪表类产品。
VK2C23A LQFP64: 56SEG×4COM或52SEG×8COM点阵
VK2C23B LQFP48: 36SEG×8COM点阵
特点:
★ 工作电压 2.4-5.5V
★ 内置32 kHz RC振荡器
★ 偏置电压(BIAS)可配置为1/3、1/4
★ COM周期(DUTY)可配置为1/4、1/8
★ 内置显示RAM为56x4位、52x8位
★ 帧频可配置为80Hz、160Hz
★ 省电模式(通过关显示和关振荡器进入)
★ I2C通信接口
★ 显示模式56x4、52x8
★ 3种显示整体闪烁频率
★ 软件配置LCD显示参数
★ 读写显示数据地址自动加1
★ VLCD脚提供LCD驱动电压源(<5.5V)
★ 内置16级LCD驱动电压调整电路
★ 内置上电复位电路(POR)
★ 低功耗、高抗干扰




LCD/LED液晶控制器及驱动器系列芯片简介如下:
RAM映射LCD控制器和驱动器系列:
VK1024B 2.4V~5.2V 6seg*4com 6*3 6*2 偏置电压1/2 1/3 S0P-16
VK1056B 2.4V~5.2V 14seg*4com14*3 14*2 偏置电压1/2 1/3 SOP-24/SSOP-24
VK1072B 2.4V~5.2V 18seg*4com18*3 18*2 偏置电压1/2 1/3 SOP-28
VK1072C 2.4V~5.2V 18seg*4com 18*3 18*2 偏置电压1/2 1/3 SOP-28
VK1088B 2.4V~5.2V 22seg*4com 22*3 偏置电压1/2 1/3 QFN-32L(4MM*4MM)
VK0192 2.4V~5.2V 24seg*8com 偏置电压1/4 LQFP-44
VK0256 2.4V~5.2V 32seg*8com 偏置电压1/4 QFP-64
VK0256B 2.4V~5.2V 32seg*8com 偏置电压1/4 LQFP-64
VK0256C 2.4V~5.2V 32seg*8com 偏置电压1/4 LQFP-52
VK1621 2.4V~5.2V 32*4 32*3 32*2 偏置电压1/2 1/3 LQFP44/48/SSOP48/SKY28/DICE裸片
VK1622 2.7V~5.5V 32seg*8com 偏置电压1/4 LQFP44/48/52/64/QFP64/DICE裸片
VK1623 2.4V~5.2V 48seg*8com 偏置电压1/4 LQFP-100/QFP-100/DICE裸片
VK1625 2.4V~5.2V 64seg*8com 偏置电压1/4 LQFP-100/QFP-100/DICE
VK1626 2.4V~5.2V 48seg*16com 偏置电压1/5 LQFP-100/QFP-100/DICE
高抗干扰LCD液晶控制器及驱动系列:
VK2C21A 2.4~5.5V 20seg*4com16*8 偏置电压1/31/4 I2C通讯接口 SOP-28
VK2C21B 2.4~5.5V 16seg*4com12*8 偏置电压1/31/4 I2C通讯接口 SOP-24
VK2C21C 2.4~5.5V 12seg*4com8*8 偏置电压1/31/4 I2C通讯接口 SOP-20
VK2C21D 2.4~5.5V 8seg*4com 4*8 偏置电压1/31/4 I2C通讯接口 SOP-16
VK2C22A 2.4~5.5V 44seg*4com 偏置电压1/2 1/3 I2C通讯接口 LQFP-52
VK2C22B 2.4~5.5V 40seg*4com 偏置电压1/21/3 I2C通讯接口 LQFP-48
VK2C23A 2.4~5.5V 56seg*4com52*8 偏置电压1/31/4 I2C通讯接口 LQFP-64
VK2C23B 2.4~5.5V 36seg*8com 偏置电压1/31/4 I2C通讯接口 LQFP-48
VK2C24 2.4~5.5V 72seg*4com 68*860*16 偏置电压1/3 1/4 1/5 I2C通讯接口 LQFP-80
超低功耗LCD液晶控制器及驱动系列:
VKL060 2.5~5.5V 15seg*4com 偏置电压1/21/3 I2C通讯接口 SSOP-24
VKL128 2.5~5.5V 32seg*4com 偏置电压1/21/3 I2C通讯接口 LQFP-44
VKL144A 2.5~5.5V 36seg*4com 偏置电压1/21/3 I2C通讯接口 TSSOP-48
VKL144B 2.5~5.5V 36seg*4com 偏置电压1/21/3 I2C通讯接口 QFN48L (6MM*6MM)
静态显示LCD液晶控制器及驱动系列:
VKS118 2.4~5.2V 118seg*2com 偏置电压-- 4线通讯接口 LQFP-128
VKS232 2.4~5.2V 116seg*2com 偏置电压1/11/2 4线通讯接口 LQFP-128
———————————————————————
内存映射的LED控制器及驱动器
VK1628--- 通讯接口:STb/CLK/DIO 电源电压:5V(4.5~5.5V) 驱动点阵:70/52
共阴驱动:10段7位/13段4位 共阳驱动:7段10位 按键:10x2 封装SOP28
VK1629--- 通讯接口:STb/CLK/DIN/DOUT 电源电压:5V(4.5~5.5V) 驱动点阵:128
共阴驱动:16段8位 共阳驱动:8段16位 按键:8x4 封装QFP44
VK1629A--- 通讯接口:STb/CLK/DIO 电源电压:5V(4.5~5.5V) 驱动点阵:128
共阴驱动:16段8位 共阳驱动:8段16位 按键:--- 封装SOP32
VK1629B--- 通讯接口:STb/CLK/DIO 电源电压:5V(4.5~5.5V) 驱动点阵:112
共阴驱动:14段8位 共阳驱动:8段14位 按键:8x2 封装SOP32
VK1629C--- 通讯接口:STb/CLK/DIO 电源电压:5V(4.5~5.5V) 驱动点阵:120
共阴驱动:15段8位 共阳驱动:8段15位 按键:8x1 封装SOP32
VK1629D--- 通讯接口:STb/CLK/DIO 电源电压:5V(4.5~5.5V) 驱动点阵:96
共阴驱动:12段8位 共阳驱动:8段12位 按键:8x4 封装SOP32
VK1640--- 通讯接口: CLK/DIN 电源电压:5V(4.5~5.5V) 驱动点阵:128
共阴驱动:8段16位 共阳驱动:16段8位 按键:--- 封装SOP28
VK1640A--- 通讯接口: CLK/DIN 电源电压:5V(4.5~5.5V) 驱动点阵:128
共阴驱动:8段16位 共阳驱动:16段8位 按键:--- 封装SSOP28
VK1640B--- 通讯接口: CLK/DIN 电源电压:5V(4.5~5.5V) 驱动点阵:96
共阴驱动:8段12位 共阳驱动:12段8位 按键:--- 封装SSOP24
VK1650--- 通讯接口: SCL/SDA 电源电压:5V(3.0~5.5V)
共阴驱动:8段4位 共阳驱动:4段8位 按键:7x4 封装SOP16/DIP16
VK1651--- 通讯接口: SCL/SDA 电源电压:5V(3.0~5.5V)
共阴驱动:7段4位 共阳驱动:4段7位 按键:7x1 封装SOP16/DIP16
VK1616--- 通讯接口: 三线串行 电源电压:5V(3.0~5.5V)
显示模式:7段4位 按键:7x1 封装SOP16/DIP16
VK1668---通讯接口:STb/CLK/DIO 电源电压:5V(4.5~5.5V) 驱动点阵:70/52
共阴驱动:10段7位/13段4位 共阳驱动:7段10位 按键:10x2 封装SOP24
VK6932--- 通讯接口:STb/CLK/DIN 电源电压:5V(4.5~5.5V) 驱动点阵:128
共阴驱动:8段16位17.5/140mA 共阳驱动:16段8位 按键:--- 封装SOP32
VK16K33 A/B/C--- 通讯接口:SCL/SDA 电源电压:5V(4.5V~5.5V) 驱动点阵:128/96/64
共阴驱动:16段8位/12段8位/8段8位
共阳驱动:8段16位/8段12位/8段8位按键:13x3 10x3 8x3
封装SOP20/SOP24/SOP28
VK1618 ---是带键盘扫描接口的 LED 驱动控制专用电路,内部集成有 MCU 数字接口、
数据锁存器、键盘扫描等电路。封装SOP18/DIP18
VK1S68C --- LED驅動IC 10x7/13x4段位 10段7位/11段6位共阴
10x2按键,封装SSOP24
VK1Q68D --- LED驅動IC 10x7/13x4段位 10段7位/11段6位共阴
10x2按键,封装QFP24
VK1S38A --- LED驱动IC 8段×8位 封装SSOP24
VK1638 ---是一种带键盘扫描接口的LED(发光二极管显示器)驱动控制专用IC,
内部集成有MCU数字接口、数据锁存器、LED驱动、键盘扫描等电路,封装SOP32
上一篇:使用JMeter 录制脚本