目录
定时器介绍
定时器工作原理:
定时器分类:
STM32F103C8T6定时器资源:
编辑
通用定时器介绍:
定时器计数模式:
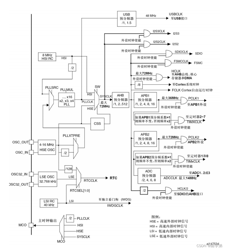
定时器时钟源:
编辑 定时器溢出时间计算公式:
定时器中断实验
PWM介绍
STM32F103C8T6 PWM资源:
PWM周期与频率:
PWM实验
4. 业务代码
void Delay500ms() //@11.0592MHz
{unsigned char i, j, k;_nop_();i = 4;j = 129;k = 119;do{do{while (--k);} while (--j);} while (--i);
}

1) 16 位向上、向下、向上/向下自动装载计数器( TIMx_CNT)。 2) 16 位可编程(可以实时修改)预分频器(TIMx_PSC),计数器时钟频率的分频系数为 1~65535 之间的 任意数值。 3)4 个独立通道( TIMx_CH1~4),这些通道可以用来作为: A.输入捕获 B.输出比较 C.PWM 生成(边缘或中间对齐模式) D.单脉冲模式输出 4)可使用外部信号( TIMx_ETR)控制定时器和定时器互连(可以用 1 个定时器控制另外一个定时器) 的同步电路。 5)如下事件发生时产生中断/DMA: A.更新:计数器向上溢出/向下溢出,计数器初始化(通过软件或者内部/外部触发) B.触发事件(计数器启动、停止、初始化或者由内部/外部触发计数) C.输入捕获 D.输出比较 E.支持针对定位的增量(正交)编码器和霍尔传感器电路 F.触发输入作为外部时钟或者按周期的电流管理

定时器溢出时间计算公式: 
例如,要定时500ms,则:PSC=7199,ARR=4999,Tclk=72M
5. 工程配置
6. 重写更新中断回调函数
void HAL_TIM_PeriodElapsedCallback(TIM_HandleTypeDef *htim)
{if(htim->Instance == TIM2)HAL_GPIO_TogglePin(GPIOB,GPIO_PIN_8);
} 7. 启动定时器
在main.c中,在定时器初始化命令之后加入以下代码:HAL_TIM_Base_Start_IT(&htim2);

PWM占空比:
由TIMx_CCRx寄存器决定。
1. 设置时钟 2. 设置定时器
记得把极性设置为Low,因为LED灯是低电平才亮。 3. 配置工程
/* USER CODE BEGIN Header */
/********************************************************************************* @file : main.c* @brief : Main program body******************************************************************************* @attention** Copyright (c) 2023 STMicroelectronics.* All rights reserved.** This software is licensed under terms that can be found in the LICENSE file* in the root directory of this software component.* If no LICENSE file comes with this software, it is provided AS-IS.********************************************************************************/
/* USER CODE END Header */
/* Includes ------------------------------------------------------------------*/
#include "main.h"
#include "tim.h"
#include "gpio.h"/* Private includes ----------------------------------------------------------*/
/* USER CODE BEGIN Includes *//* USER CODE END Includes *//* Private typedef -----------------------------------------------------------*/
/* USER CODE BEGIN PTD *//* USER CODE END PTD *//* Private define ------------------------------------------------------------*/
/* USER CODE BEGIN PD */
/* USER CODE END PD *//* Private macro -------------------------------------------------------------*/
/* USER CODE BEGIN PM *//* USER CODE END PM *//* Private variables ---------------------------------------------------------*//* USER CODE BEGIN PV *//* USER CODE END PV *//* Private function prototypes -----------------------------------------------*/
void SystemClock_Config(void);
/* USER CODE BEGIN PFP *//* USER CODE END PFP *//* Private user code ---------------------------------------------------------*/
/* USER CODE BEGIN 0 *//* USER CODE END 0 *//*** @brief The application entry point.* @retval int*/
int main(void)
{uint16_t pwmVal=0;uint8_t dir=1;/* USER CODE BEGIN 1 *//* USER CODE END 1 *//* MCU Configuration--------------------------------------------------------*//* Reset of all peripherals, Initializes the Flash interface and the Systick. */HAL_Init();/* USER CODE BEGIN Init *//* USER CODE END Init *//* Configure the system clock */SystemClock_Config();/* USER CODE BEGIN SysInit *//* USER CODE END SysInit *//* Initialize all configured peripherals */MX_GPIO_Init();MX_TIM4_Init();/* USER CODE BEGIN 2 */HAL_TIM_PWM_Start(&htim4,TIM_CHANNEL_3);/* USER CODE END 2 *//* Infinite loop *//* USER CODE BEGIN WHILE */while (1){/* USER CODE END WHILE */HAL_Delay(1);if (dir)pwmVal++;elsepwmVal--;if (pwmVal > 500)dir = 0;if (pwmVal == 0)dir =1;//修改比较值,修改占空比__HAL_TIM_SetCompare(&htim4, TIM_CHANNEL_3, pwmVal);/* USER CODE BEGIN 3 */}/* USER CODE END 3 */
}/*** @brief System Clock Configuration* @retval None*/
void SystemClock_Config(void)
{RCC_OscInitTypeDef RCC_OscInitStruct = {0};RCC_ClkInitTypeDef RCC_ClkInitStruct = {0};/** Initializes the RCC Oscillators according to the specified parameters* in the RCC_OscInitTypeDef structure.*/RCC_OscInitStruct.OscillatorType = RCC_OSCILLATORTYPE_HSE;RCC_OscInitStruct.HSEState = RCC_HSE_ON;RCC_OscInitStruct.HSEPredivValue = RCC_HSE_PREDIV_DIV1;RCC_OscInitStruct.HSIState = RCC_HSI_ON;RCC_OscInitStruct.PLL.PLLState = RCC_PLL_ON;RCC_OscInitStruct.PLL.PLLSource = RCC_PLLSOURCE_HSE;RCC_OscInitStruct.PLL.PLLMUL = RCC_PLL_MUL9;if (HAL_RCC_OscConfig(&RCC_OscInitStruct) != HAL_OK){Error_Handler();}/** Initializes the CPU, AHB and APB buses clocks*/RCC_ClkInitStruct.ClockType = RCC_CLOCKTYPE_HCLK|RCC_CLOCKTYPE_SYSCLK|RCC_CLOCKTYPE_PCLK1|RCC_CLOCKTYPE_PCLK2;RCC_ClkInitStruct.SYSCLKSource = RCC_SYSCLKSOURCE_PLLCLK;RCC_ClkInitStruct.AHBCLKDivider = RCC_SYSCLK_DIV1;RCC_ClkInitStruct.APB1CLKDivider = RCC_HCLK_DIV2;RCC_ClkInitStruct.APB2CLKDivider = RCC_HCLK_DIV1;if (HAL_RCC_ClockConfig(&RCC_ClkInitStruct, FLASH_LATENCY_2) != HAL_OK){Error_Handler();}
}/* USER CODE BEGIN 4 *//* USER CODE END 4 *//*** @brief This function is executed in case of error occurrence.* @retval None*/
void Error_Handler(void)
{/* USER CODE BEGIN Error_Handler_Debug *//* User can add his own implementation to report the HAL error return state */__disable_irq();while (1){}/* USER CODE END Error_Handler_Debug */
}#ifdef USE_FULL_ASSERT
/*** @brief Reports the name of the source file and the source line number* where the assert_param error has occurred.* @param file: pointer to the source file name* @param line: assert_param error line source number* @retval None*/
void assert_failed(uint8_t *file, uint32_t line)
{/* USER CODE BEGIN 6 *//* User can add his own implementation to report the file name and line number,ex: printf("Wrong parameters value: file %s on line %d\r\n", file, line) *//* USER CODE END 6 */
}
#endif /* USE_FULL_ASSERT */
上一篇:博客系统 -- 静态页面
下一篇:如何使用码匠连接 CouchDB