汽车和工业终端设备,如电机驱动器、串式逆变器和机载充电器,在高电压下运行,不能安全地与人直接互动。隔离电压测量通过保护人类免受高压电路执行一个功能的影响,有助于优化操作和确保使用的安全性。
设计用于高性能,隔离放大器传输电压测量数据通过隔离屏障。确定隔离放大器选择的标准包括隔离规格、输入电压范围、精度要求,以及您计划如何为高压侧供电——这是测量值在应用程序中的位置经常会影响的。本文通过评估交流电机驱动端设备的三种常见电压测量,指导选择正确的隔离放大器。
输入电压范围的选择、精度要求和您所选择的高压侧功率方法的选择取决于在应用程序中测量的电压节点的位置。
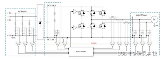
图1是一个交流电机驱动器的简化方框图,其中有三个常见的电压测量位置:左边是交流电源,中间是直流连接,右边是电机相位。隔离放大器由于其高精度和易于使用,是这些测量的优良设备。

图1。交流电机驱动应用程序。
如图1的左侧所示,在美国,交流电源的输入通常被连接为一个三相中心接地的电力系统,电压为120VRMS/208VRMS。在欧洲有230 VRMS/400 VRMS。这种电压测量所需的精度通常很低,而且并不总是需要的。如果您要测量交流市电,请考虑具有双极高阻抗输入的设备,如TI的AMC1350或AMC3330。当对中性电压进行三相交流电压测量时,您可以使用单一的隔离电源供应所有三个的隔离放大器进行测量。在进行三相交流电压相相测量时,考虑使用集成C/直流转换器的设备进行简单的设计。图2显示了相应的AMC3330电路图。

图2。AMC3330隔离放大器与一个内部的DC/DC转换器。
要计算电机驱动器中的脉宽调制(PWM)占空比,通常需要测量图1中间所示的直流链路电压,其精度为1%或更高。
在制动操作期间,直流连接电压增加,需要主动限制,例如通过打开再生制动器来保护功率级。低延迟测量为过电压事件提供了更快的反应时间,使系统运行更接近其硬件的限制,使更紧密的设计边际和更低的系统成本。这个直流链路电容通常是几个100µF,在维修设备之前确定直流链路电容器是否已正确放电到安全水平,需要在低电压(<100 V)下进行精确测量。
此外,高分辨率的交流纹波测量允许一个连接的交流电源的相位检测损失,潜在地消除了一个单独的栅边相位测量的需要。纹波电压的频率是60hz的360 Hz三相电机电压或300 Hz为50-Hz的三相电机电压,因为有六个半波被纠正。在低负载下(当电机不旋转时),纹波电压的大小可以是非常低;因此,您可能更喜欢一个调制器的最高分辨率的测量。以获取更多关于隔离放大器vs的信息。隔离调制器,见。具有单极输入范围的隔离放大器,如AMC1351(具有0至5V输入范围)或AMC1311(具有0到2V输入范围)是专门为直流链路电压测量设计的。它们需要一个参考DCto的本地电源,如图3所示的隔离变压器电路。另一种方法是使用集成DC/DC的AMC3330变换器

图3。AMC1311隔离放大器与分立隔离变压器电路。
测量实际的相位电压,而不是基于直流链路测量和PWM占空比来估计相位电压,进一步提高了无传感器交流电机驱动器的性能。直接测量相位电压得到了更精确的结果,因为它包括了系统中的所有损失和PWM死时间失真的影响。
一种方法是测量直流导轨的所有三个相,用三个单极输入隔离放大器和一个隔离电源(如图3所示)为所有三个隔离放大器的高侧供电。另一种节省硬件成本的方法是只测量两个相对电压并计算第三个电压。这种方法只需要两个隔离的放大器与双极输入范围和在固件侧最小的额外努力。这两个测量是
针对其中一个相位电压进行的,这需要供电的隔离来自顶部绝缘栅极双极晶体管(IGBT)的浮动高侧栅极驱动器电源的放大器,如图4所示。具有内部DC/DC转换器的设备,如AMC3330,极大地简化了电路,使额外的空间节省和更高的系统效率。

图4。AMC1350隔离放大器与一个浮动电源。
对于每一个电压测量,电阻分频器必须缩小高压节点,以匹配隔离放大器[4]的输入范围。在设计一个电阻器分频器电路时,有三个常见的挑战:
来自隔离放大器的输入偏置电流,产生偏置误差。
传感电阻与隔离放大器的输入阻抗并行,降低了有效的传感电阻并产生增益误差。
此外,由于过程的变化,隔离放大器的输入阻抗可以在不同设备之间变化±20%,如果无法解释,将显示为增益误差。电阻分频器和隔离放大器的输入阻抗中的温度漂移。
从TI的隔离电压传感放大器线中选择具有高输入阻抗和可忽略输入偏置电流的器件,大大减少了克服这些挑战所需的努力;然而,可以使用输入偏置电流[5]的低输入阻抗隔离放大器设计高精度电压测量电路。
输入范围的隔离放大器对输入噪声提供较低的灵敏度,并允许在低输入电平下提供更高的精度。然而,较高的输入电压器件通常具有较低的输入阻抗,如表1所示,并需要进行增益校准,以达到最高的精度水平。高阻抗输入设备提供了更高的未校准精度,并减少了设计工作量。
高阻抗电压测量隔离放大器,允许您在成本、性能、易于实现和板空间之间做出正确的权衡,以优化设计,以满足您的要求,并满足行业隔离性能标准。