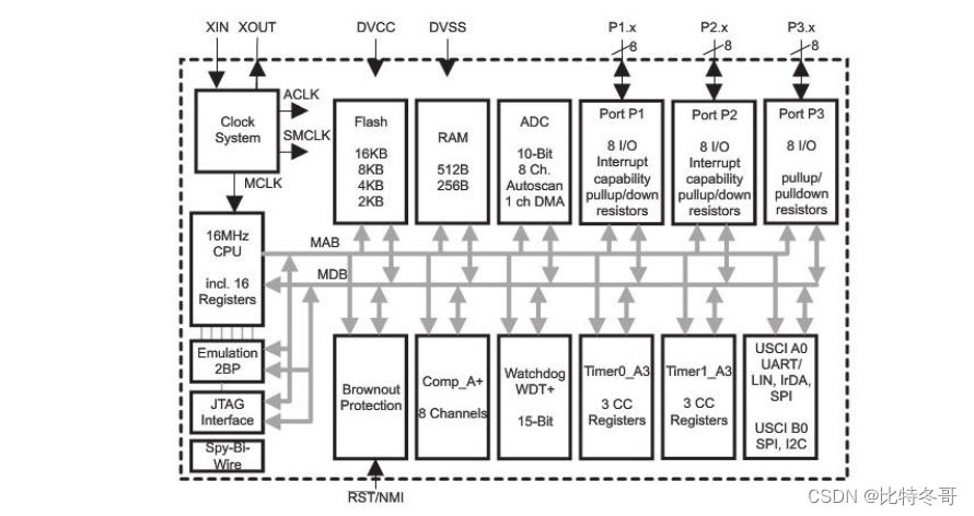
MSP430 是德州仪器(TI)一款性能卓越的超低功耗 16 位单片机,自问世以来,MSP430 单片机一直是业内公认的功耗最低的单片机。除采用先进的制造工艺使芯片的静态电流尽可能降低外,MSP430 的独立可配置的时钟系统是其低功耗的基石之一。在追求绿色能源的今天,MSP430 超低功耗微控制器正以其超低功耗的特性,以及丰富多样化的外设受到越来越多设计者们的青睐。



MSP430G2553共有两个通用数字端口P1和P2。
端口P1和 P2具有输入/输出\中断和外部模块功能,这些功能可以通过它们各自的7个控制寄存器的设置来实现。
相互独立的8位分别定义了8个引脚的输入/输出方向.8位在PUC后都被复位。使用时先根据需要定义端口的方向以满足设计者要求。
0 : I/O引脚被切换成输入模式;
1 : IO引脚被切换成输出模式。
输入寄存器是CPU扫描IO引脚信号的只读寄存器。通过读取该寄存器的内容获取IO端口的输入信号。此时引脚的方向必须选定为输入。读出时,该引脚的方向寄存器必须设置为输入模式。
该寄存器为IO端口的输出缓冲寄存器。其内容可以像操作内存数据一样写入,以达到改变IO口状态的目的。在读取时输出缓存的内容与引脚方向定义无关。改变方向寄存器的内容,输出缓存的内容不受影响。
该寄存器的各引脚都有一位用以控制该引脚是否允许中断,该寄存器中0 :禁止该位中断;
1 :允许该位中断。
如果允许Px口的某个引脚中断,还需定义该引脚的中断触发沿。该寄存器的8位分别定义了Px口的8个引脚的中断触发沿。
0:上升沿使相应标志置位;
1:下降沿使相应标志置位。
该寄存器有8个标志位,它们含有相应引脚是否有待处理中断的信息,即
相应引脚是否有中断请求。如果Px的某个引脚允许中断,同时选择上升沿,则当该引脚发生由低电平向高电平跳变时,PxFG的相应位就会置位,表明在该引脚上有中断事件发生。
0 :没有中断请求;1 :有中断请求。
Pl和P2两端口还有其他片内外设功能,考虑减少引脚,将这些功能与芯片外的联系通过复用P1和P2引脚的方式来实现.PxSEL用来选择引脚的IO端口功能与外围模块功能。
0 :选择引脚为I/O端口;
1 :选择引脚为外围模块功能。
以下我以msp430g2553为例,解析GPIO的使用。

由上方电路图可读:
#include int main(void)
{WDTCTL = WDTPW | WDTHOLD; // 关闭看门狗/*初始化LED2为输出*/P1DIR |= BIT6;/*初始化LED2为低电平,熄灭*/P1OUT &= ~BIT6;/*初始化KEY P1.3为输入*/P1DIR &= ~BIT3;/*使能P1.3口的上拉电阻*/P1REN |= BIT3;P1OUT |= BIT3;while(1){if(P1IN & BIT3) /*如果P1.3口为高电平,证明按键没有被按下*/{P1OUT &= ~BIT6; //熄灭LED2}else{P1OUT |= BIT6; //点亮LED2}}return 0;
}
#include int main(void)
{WDTCTL = WDTPW | WDTHOLD; // stop watchdog timer/*初始化LED2为输出*/P1DIR |= BIT6;/*初始化LED2为低电平,熄灭*/P1OUT &= ~BIT6;/*初始化KEY P1.3为输入*/P1DIR &= ~BIT3;/*使能P1.3口的上拉电阻*/P1REN |= BIT3;P1OUT |= BIT3;while(1){if(P1IN & BIT3) /*如果P1.3口为高电平,证明按键没有被按下*/{P1OUT &= ~BIT6; //熄灭LED2}else{P1OUT |= BIT6; //点亮LED2}}return 0;
}
#include int main(void)
{WDTCTL = WDTPW | WDTHOLD; // stop watchdog timer/*设置MCLK频率1,8,12,16*/DCOCTL = CALDCO_16MHZ;BCSCTL1 = CALBC1_16MHZ;/*初始化LED2所在的IO口P1.6设置为输出*/P1DIR |= BIT6;/*初始化LED2 为低电平*/P1OUT &= ~BIT6;while(1){P1OUT ^= BIT6;__delay_cycles(500000);}return 0;
}

#include
#include "stdint.h"
/** @fn: void InitSystemClock(void)* @brief: 初始化系统时钟* @para: none* @return:none* @comment: 初始化系统时钟*/
void InitSystemClock(void)
{/*配置DCO为1MHZ时钟*/DCOCTL = CALDCO_1MHZ;BCSCTL1 = CALBC1_1MHZ;/*配置SMCLK的时钟源为DCO*/BCSCTL2 &= ~SELS;/*SMCLK的分频系数置为1*/BCSCTL2 &= ~(DIVS0 | DIVS1);
}/** @fn: void InitUART(void)* @brief: 初始化串口,包括设置波特率,数据位,校验位等* @para: none* @return:none* @comment: 初始化串口*/
void InitUART(void)
{/*复位USCI_Ax*/UCA0CTL1 |= UCSWRST;/*设置为异步模式*/UCA0CTL0 &= ~UCSYNC;/*配置UART时钟源为SMCLK*/UCA0CTL1 |= UCSSEL1;/*配置波特率为9600*/UCA0BR0 = 0x68;UCA0BR1 = 0x00;UCA0MCTL = 1 << 1;/*配置端口,使能端口复用*/P1SEL |= BIT1 + BIT2;P1SEL2 |= BIT1 + BIT2;/*清除复位位,使能UART*/UCA0CTL1 &= ~UCSWRST;
}/** @fn: void UARTSendString(uint8_t *pbuff, uint_8 num)* @brief: 初始化串口发送字符串* @para: pbuff:指向要发送字符串的指针* num:要发送的字符个数* @return:none* @comment: 初始化串口发送字符串*/
void UARTSendString(uint8_t *pbuff, uint8_t num)
{uint8_t cnt = 0;for(cnt = 0; cnt < num; cnt++){/*判断是否有数据正在发送*/while(UCA0STAT & UCBUSY);UCA0TXBUF = *(pbuff + cnt);}
}/** @fn: void PrintNumber(uint16_t num)* @brief: 初始化串口发送数字* @para: num:变量* @return:none* @comment: 初始化串口发送数字*/
void PrintNumber(uint16_t num)
{uint8_t cnt = 0;uint8_t buff[6] = {0,0,0,0,0,'\n'};for(cnt = 0; cnt < 5; cnt++){buff[4 - cnt] = (uint8_t)(num % 10 + '0');num /= 10;}UARTSendString(buff,6);
}int main(void)
{WDTCTL = WDTPW | WDTHOLD; // stop watchdog timerInitSystemClock();InitUART();while(1){PrintNumber(23456);__delay_cycles(500000);}return 0;
}
#include
#include "stdint.h"uint8_t combuff[20] = {0}; //长度为20的命令缓冲区,用于保存串口接收到的命令
uint8_t iscomend = 0; //命令结束标志位
/** @fn: void InitSystemClock(void)* @brief: 初始化系统时钟* @para: none* @return:none* @comment: 初始化系统时钟*/
void InitSystemClock(void)
{/*配置DCO为1MHZ时钟*/DCOCTL = CALDCO_1MHZ;BCSCTL1 = CALBC1_1MHZ;/*配置SMCLK的时钟源为DCO*/BCSCTL2 &= ~SELS;/*SMCLK的分频系数置为1*/BCSCTL2 &= ~(DIVS0 | DIVS1);
}/** @fn: void InitUART(void)* @brief: 初始化串口,包括设置波特率,数据位,校验位等* @para: none* @return:none* @comment: 初始化串口*/
void InitUART(void)
{/*复位USCI_Ax*/UCA0CTL1 |= UCSWRST;/*设置为异步模式*/UCA0CTL0 &= ~UCSYNC;/*配置UART时钟源为SMCLK*/UCA0CTL1 |= UCSSEL1;/*配置波特率为9600*/UCA0BR0 = 0x68;UCA0BR1 = 0x00;UCA0MCTL = 1 << 1;/*配置端口,使能端口复用*/P1SEL |= BIT1 + BIT2;P1SEL2 |= BIT1 + BIT2;/*清除复位位,使能UART*/UCA0CTL1 &= ~UCSWRST;/*接收中断启用*/IE2 |= UCA0RXIE;/*清空接收中断标志*/IFG2 &= ~UCA0RXIFG;
}/** @fn: void UARTSendString(uint8_t *pbuff, uint_8 num)* @brief: 初始化串口发送字符串* @para: pbuff:指向要发送字符串的指针* num:要发送的字符个数* @return:none* @comment: 初始化串口发送字符串*/
void UARTSendString(uint8_t *pbuff, uint8_t num)
{uint8_t cnt = 0;for(cnt = 0; cnt < num; cnt++){/*判断是否有数据正在发送*/while(UCA0STAT & UCBUSY);UCA0TXBUF = *(pbuff + cnt);}
}/** @fn: void PrintNumber(uint16_t num)* @brief: 初始化串口发送数字* @para: num:变量* @return:none* @comment: 初始化串口发送数字*/
void PrintNumber(uint16_t num)
{uint8_t cnt = 0;uint8_t buff[6] = {0,0,0,0,0,'\n'};for(cnt = 0; cnt < 5; cnt++){buff[4 - cnt] = (uint8_t)(num % 10 + '0');num /= 10;}UARTSendString(buff,6);
}/** @fn: void Execute(uint8_t *combuff)* @brief: 串口命令执行函数* @para: combuff:指向串口命令缓冲区的指针* @return:none* @comment: 串口命令执行函数*/
void Execute(uint8_t *combuff)
{const uint8_t charbuff[5][10] = {"王龙","米雷龙","班长","LED1 ON!","LED1 OFF!"};if(combuff[0] == charbuff[0][0] && combuff[1] == charbuff[0][1]){UARTSendString("aa",2);}else if(combuff[0] == charbuff[1][0] && combuff[1] == charbuff[1][1]){UARTSendString("bb",2);}else if(combuff[0] == charbuff[2][0] && combuff[1] == charbuff[2][1]){UARTSendString("cc",2);}else if(combuff[0] == charbuff[3][0] && combuff[6] == charbuff[3][6]){UARTSendString("Yes,LED ON!",11);P1OUT |= BIT0;}if(combuff[0] == charbuff[4][0] && combuff[6] == charbuff[4][6]){UARTSendString("Yes,LED OFF!",12);P1OUT &= ~BIT0;}
}int main(void)
{WDTCTL = WDTPW | WDTHOLD; // stop watchdog timerInitSystemClock();InitUART();P1DIR |= BIT0;P1OUT &= ~BIT0;__bis_SR_register(GIE);//打开总中断while(1){if(iscomend){iscomend = 0; //清除标志位,防止重复执行Execute(combuff);}}return 0;
}#pragma vector = USCIAB0RX_VECTOR
__interrupt void UART_Receive_ISR(void) //Port1_ISR(void) 中断服务函数
{static uint8_t cnt = 0;if(IFG2 & UCA0RXIFG)//检测是否是USCI_AO的接收中断,USCI_AO和USCI_BO的接收中断共享同一向量{IFG2 &= ~UCA0RXIFG; //清空接收中断标志combuff[cnt++] = UCA0RXBUF; //保存命令cnt %= 20; //防止cnt大于20,导致缓存区溢出if(combuff[cnt - 1] == '\n'){cnt = 0; //复位计数器iscomend = 1; //命令接收完毕标志}}/*清空接收中断标志*/IFG2 &= ~UCA0RXIFG;
}
#include /*** main.c*/
int main(void)
{WDTCTL = WDTPW | WDTHOLD; // stop watchdog timer/*初始化LED2为输出*/P1DIR |= BIT6;/*初始化LED2为低电平,熄灭*/P1OUT &= ~BIT6;/*初始化KEY P1.3为输入*/P1DIR &= ~BIT3;/*使能P1.3口的上拉电阻*/P1REN |= BIT3;P1OUT |= BIT3;/*打开P1.3口的中断*/P1IE |= BIT3;/*设定为下降沿触发*/P1IES |= BIT3;/*清除中断标志位*/P1IFG &= ~BIT3;/*打开全局中断*/__bis_SR_register(GIE);while(1){}return 0;
}#pragma vector = PORT1_VECTOR
__interrupt void Port1_ISR(void) //Port1_ISR(void) 中断服务函数
{if(P1IFG & BIT3) //判断是否P1.3产生中断{P1OUT ^= BIT6;P1IFG &= ~ BIT3; //清除标志位}
}

#include
#include "stdint.h"int main(void)
{uint8_t cnt = 0;WDTCTL = WDTPW | WDTHOLD; // stop watchdog timer/*配置DCO为1MHZ时钟*/DCOCTL = CALDCO_1MHZ;BCSCTL1 = CALBC1_1MHZ;P1DIR |= BIT0 ;/*配置时钟源为SMCLK*/TA1CTL |= TASSEL_2;/*设置工作模式为Up Mode*/TA1CTL |= MC_1;/*设置定时时间间隔*/TA1CCR0 = 49999; //0.05swhile(1){if(TA1CTL & TAIFG){cnt++;TA1CTL &= ~TAIFG; //清除标志位if(cnt == 20){P1OUT ^= BIT0;cnt = 0;}}}return 0;
}
#include
#include "stdint.h"uint32_t currenttime = 40500; //用来保存时间的变量,初值代表11:15:00
uint8_t flag = 0;
/** @fn: void InitSystemClock(void)* @brief: 初始化系统时钟* @para: none* @return:none* @comment: 初始化系统时钟*/
void InitSystemClock(void)
{/*配置DCO为1MHZ时钟*/DCOCTL = CALDCO_1MHZ;BCSCTL1 = CALBC1_1MHZ;/*配置SMCLK的时钟源为DCO*/BCSCTL2 &= ~SELS;/*SMCLK的分频系数置为1*/BCSCTL2 &= ~(DIVS0 | DIVS1);
}/** @fn: void InitUART(void)* @brief: 初始化串口,包括设置波特率,数据位,校验位等* @para: none* @return:none* @comment: 初始化串口*/
void InitUART(void)
{/*复位USCI_Ax*/UCA0CTL1 |= UCSWRST;/*设置为异步模式*/UCA0CTL0 &= ~UCSYNC;/*配置UART时钟源为SMCLK*/UCA0CTL1 |= UCSSEL1;/*配置波特率为9600*/UCA0BR0 = 0x68;UCA0BR1 = 0x00;UCA0MCTL = 1 << 1;/*配置端口,使能端口复用*/P1SEL |= BIT1 + BIT2;P1SEL2 |= BIT1 + BIT2;/*清除复位位,使能UART*/UCA0CTL1 &= ~UCSWRST;/*接收中断启用*/IE2 |= UCA0RXIE;/*清空接收中断标志*/IFG2 &= ~UCA0RXIFG;
}/** @fn: void UARTSendString(uint8_t *pbuff, uint_8 num)* @brief: 初始化串口发送字符串* @para: pbuff:指向要发送字符串的指针* num:要发送的字符个数* @return:none* @comment: 初始化串口发送字符串*/
void UARTSendString(uint8_t *pbuff, uint8_t num)
{uint8_t cnt = 0;for(cnt = 0; cnt < num; cnt++){/*判断是否有数据正在发送*/while(UCA0STAT & UCBUSY);UCA0TXBUF = *(pbuff + cnt);}
}/** @fn: void PrintTime(uint32_t time)* @brief: 初始化串口发送字符串* @para: pbuff:指向要发送字符串的指针* num:要发送的字符个数* @return:none* @comment: 初始化串口发送字符串*/
void PrintTime(uint32_t time)
{uint8_t charbuff[] = {0,0,':',0,0,':',0,0,'\n'};charbuff[7] = (uint8_t)((time % 60) % 10) + '0'; //得到当前秒个位charbuff[6] = (uint8_t)((time % 60) / 10) + '0'; //得到当前秒十位charbuff[4] = (uint8_t)((time % 3600) / 60 % 10) + '0'; //得到当前分个位charbuff[3] = (uint8_t)((time % 3600) / 60 / 10) + '0'; //得到当前分十位charbuff[1] = (uint8_t)((time / 3600) % 10) + '0'; //得到当前时个位charbuff[0] = (uint8_t)(time / 3600 / 10) + '0'; //得到当前时十位UARTSendString("当前时间:",10);UARTSendString(charbuff,9);
}int main(void)
{WDTCTL = WDTPW | WDTHOLD; // stop watchdog timer/*配置DCO为1MHZ时钟*/DCOCTL = CALDCO_1MHZ;BCSCTL1 = CALBC1_1MHZ;InitSystemClock();InitUART();P1DIR |= BIT0 ;/*配置时钟源为SMCLK*/TA1CTL |= TASSEL_2;/*设置工作模式为Up Mode*/TA1CTL |= MC_1;/*设置定时时间间隔*/TA1CCR0 = 49999; //0.05s/*打开定时器TAIFG中断*/TA1CTL |= TAIE;/*打开全局中断*/__bis_SR_register(GIE);while(1){if(flag == 1){flag = 0;P1OUT ^= BIT0;PrintTime(currenttime);}}return 0;
}#pragma vector = TIMER1_A1_VECTOR
__interrupt void Timer_Tick(void)
{static uint8_t cnt = 0;switch(TA1IV) //读取的话无需手动清零标志位{case 0x02:break;case 0x04:break;case 0x0A:cnt++;if(cnt == 20){cnt = 0;flag = 1; //1s时间到了currenttime ++; //时间加1currenttime %= 86400; //一天24小时,防止溢出}break;default:break;}
}
#include int main(void)
{unsigned int cnt = 0;WDTCTL = WDTPW | WDTHOLD; // stop watchdog timer/*配置DCO为1MHZ时钟*/DCOCTL = CALDCO_1MHZ;BCSCTL1 = CALBC1_1MHZ;/*初始化P1.6为输入*/P1DIR &= ~BIT6;/*设置时钟源为SMCLK*/TA1CTL |= TASSEL_2;/*设置工作模式为Up & Dowm*/TA1CTL |= MC_0 | MC_1;/*设置TA1CCR0为0x00ff*/TA1CCR0 = 0x00FF;/*设置TA1CCR2为0x00ff*/TA1CCR2 = 0x00FF; //占空比 = (TACCR0 - TACCR2)/ TACCR0 频率 = SMCLK / (TACCR0+1)/2/*设置为比较模式*/TA1CCTL0 &= ~CAP;TA1CCTL2 &= ~CAP;/*设置比较输出模式*/TA1CCTL2 |= OUTMOD_6;/*设置IO复用*/P2SEL |= BIT5;P2DIR |= BIT5;while(1){for(cnt = 0;cnt < 0x00FF; cnt++){TA1CCR2 = cnt;__delay_cycles(5000);}for(cnt = 0x00FF;cnt > 0; cnt--){TA1CCR2 = cnt;__delay_cycles(5000);}}return 0;
}

#include
#include "stdint.h"/** @fn: void InitSystemClock(void)* @brief: 初始化系统时钟* @para: none* @return:none* @comment: 初始化系统时钟*/
void InitSystemClock(void)
{/*配置DCO为1MHZ时钟*/DCOCTL = CALDCO_1MHZ;BCSCTL1 = CALBC1_1MHZ;/*配置SMCLK的时钟源为DCO*/BCSCTL2 &= ~SELS;/*SMCLK的分频系数置为1*/BCSCTL2 &= ~(DIVS0 | DIVS1);
}/** @fn: void InitUART(void)* @brief: 初始化串口,包括设置波特率,数据位,校验位等* @para: none* @return:none* @comment: 初始化串口*/
void InitUART(void)
{/*复位USCI_Ax*/UCA0CTL1 |= UCSWRST;/*设置为异步模式*/UCA0CTL0 &= ~UCSYNC;/*配置UART时钟源为SMCLK*/UCA0CTL1 |= UCSSEL1;/*配置波特率为9600*/UCA0BR0 = 0x68;UCA0BR1 = 0x00;UCA0MCTL = 1 << 1;/*配置端口,使能端口复用*/P1SEL |= BIT1 + BIT2;P1SEL2 |= BIT1 + BIT2;/*清除复位位,使能UART*/UCA0CTL1 &= ~UCSWRST;/*接收中断启用*/IE2 |= UCA0RXIE;/*清空接收中断标志*/IFG2 &= ~UCA0RXIFG;
}/** @fn: void UARTSendString(uint8_t *pbuff, uint_8 num)* @brief: 初始化串口发送字符串* @para: pbuff:指向要发送字符串的指针* num:要发送的字符个数* @return:none* @comment: 初始化串口发送字符串*/
void UARTSendString(uint8_t *pbuff, uint8_t num)
{uint8_t cnt = 0;for(cnt = 0; cnt < num; cnt++){/*判断是否有数据正在发送*/while(UCA0STAT & UCBUSY);UCA0TXBUF = *(pbuff + cnt);}
}/** @fn: void PrintNumber(uint16_t num)* @brief: 初始化串口发送数字* @para: num:变量* @return:none* @comment: 初始化串口发送数字*/
void PrintNumber(uint16_t num)
{uint8_t cnt = 0;uint8_t buff[6] = {0,0,0,0,0,'\n'};for(cnt = 0; cnt < 5; cnt++){buff[4 - cnt] = (uint8_t)(num % 10 + '0');num /= 10;}UARTSendString(buff,6);
}/** @fn: void PrintFloat(float num)* @brief: 初始化串口发送浮点型数字* @para: num:浮点型变量* @return:none* @comment: 初始化串口发送浮点型数字*/
void PrintFloat(float num)
{uint8_t buff[] = {0,'.',0,0,0,'\n'};uint16_t temp = (uint16_t)(num * 1000);buff[0] = (uint8_t)(temp / 1000) + '0';buff[2] = (uint8_t)((temp % 1000) / 100) + '0';buff[3] = (uint8_t)((temp / 100) / 10) + '0';buff[4] = (uint8_t)(temp % 10) + '0';UARTSendString(buff,6);
}/** @fn: void InitADC(void)* @brief: ADC初始化* @para: none* @return:none* @comment: ADC初始化*/
void InitADC(void)
{/*设置ADC时钟MCLK*/ADC10CTL1 |= ADC10SSEL_2;/*ADC 2分频*/ADC10CTL1 |= ADC10DIV_0;/*设置ADC基准源*/ADC10CTL0 |= SREF_1;/*设置ADC采样保持时间64CLK*/ADC10CTL0 |= ADC10SHT_3;/*设置ADC采样率200k*/ADC10CTL0 &= ~ADC10SR;/*ADC基准选择2.5V*/ /* ADC基准选择1.5V */ADC10CTL0 |= REF2_5V; /* ADC10CTL0 &= ~REF2_5V; *//*开启基准*/ADC10CTL0 |= REFON;/*选择ADC输入通道A0*/ADC10CTL1 |= INCH_0;/*允许A0模拟输入*/ADC10AE0 |= 0x0001;/*开启ADC*/ADC10CTL0 |= ADC10ON;
}/** @fn: uint16_t GetADCValue(void)* @brief: 进行一次ADC转换并返回ADC转换结果* @para: none* @return:ADC转换结果* @comment: ADC转换结果为10bit,以uint16_t类型返回,低10位有效数据*/
uint16_t GetADCValue(void)
{/*开始转换*/ADC10CTL0 |= ADC10SC|ENC;/*等待转换完成*/while(ADC10CTL1 & ADC10BUSY);/*返回结果*/return ADC10MEM;
}int main(void)
{float voltage = 0.0;uint16_t adcvalue = 0;WDTCTL = WDTPW | WDTHOLD; // stop watchdog timerInitSystemClock();InitUART();InitADC();while(1){adcvalue = GetADCValue();voltage = adcvalue * 2.5 / 1023;UARTSendString("ADC10转接结果为:",17);PrintNumber(adcvalue);UARTSendString("相应电压值为:",14);PrintFloat(voltage);__delay_cycles(300000);}return 0;
}
上一篇:三天吃透计算机网络面试八股文