物联网就是将一切可联网的设备,连接到互联网实现物物互联,其一是在互联网基础上的延伸和扩展的网络,其二是其用户端延伸和扩展到任何物品与物品之间,进行信息交换和通信,就是物物相联。
最广为人知的物联网起源,最早要追溯到1991年,剑桥大学特洛伊计算机实验室的科学家们,常常要下楼去看咖啡煮好了没有,但又怕会影响工作,为了解决麻烦,他们编写了一套程序,咖啡壶旁边安装了一个便携式摄像头,利用终端计算机的图像捕捉技术,以3帧/秒的速率传递到实验室的计算机上,以方便工作人员随时查看咖啡是否煮好,这就是物联网最早的雏形。1993年,作为案例,“特洛伊咖啡壶服务器”事件被传到了网上,近240万人点击过这个名噪一时的“咖啡壶”网站。就网络数字摄像机而言,确切地说,其市场开发、技术应用以及日后的种种网络扩展都是始源于这个世界上最富盛名的“特洛伊咖啡壶”。

从硬件到软件,分为传感器技术、移动通信技术、人工智能技术和云计算技术等。
以阿里云体系为例:

从技术角度分为感知层、网络层、应用层。

现场总线是应用在制造或过程区域现场装置与控制室内自动控制装置之间的数字式、串行、多点通信的数据总线。现场总线也被称为开放式、数字化、多点通信的底层控制网络。以现场总线为技术核心的工业控制系统,称为现场总线控制系统FCS(Filebus Control System)。
总线的分类:
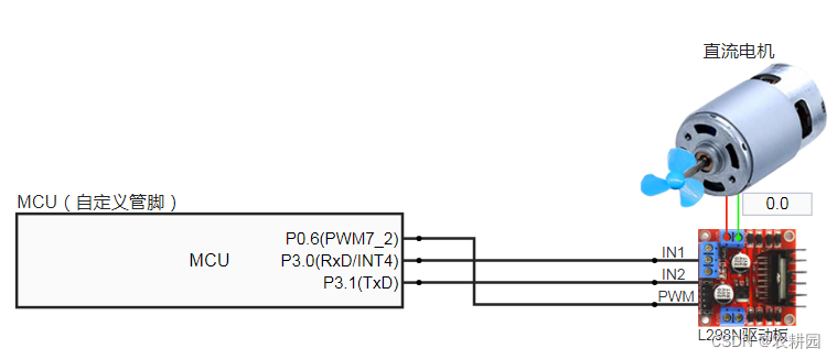
串行通信是外设和计算机之间,通过数据信号线、地线与控制线等,按位进行传输数据的一种通信方式。
目前常见的串行通信接口标准有RS-232、RS-422和RS-485等。另外,SPI(串行外设接口)、I2C(内置集成电路)和CAN(控制器局域网)通信也属于串行通信。
在计算机网络与分布式工业控制系统中,设备之间经常通过各自的配备的标准串行通信接口,加上合适的通信电缆实现数据与信息的交换。










访问地址:https://dev.bj-jc.com:20002/RemoteExp/#/stu-exp-panel



运行后


运行后



运行后


运行后


运行后


运行后

上一篇:vue笔记