- ✨本文不涉及具体的单片机代码驱动内容,值针对芯片使用功能的差异加以比较说明。
http://www.titanmec.com/product/display-drivers/led-panel-display-driver-chip/p/1.html
- 🎉好多平台提供的该芯片的数据手册都是内容不全或者版本比较旧的,如需了解最新的请前往官网下载,内容和排版都是最新的。


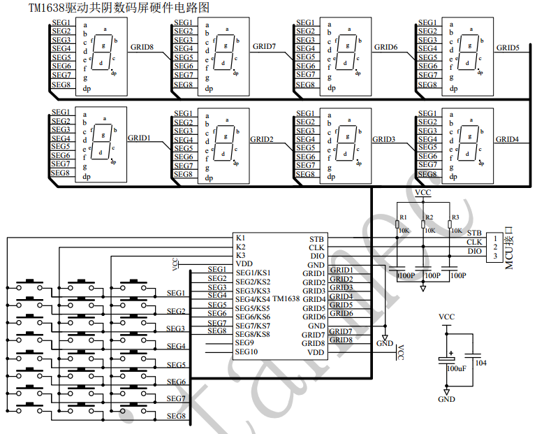
🌿TM1638

🌿TM1639



- 🍁通过上面的两张截图可以看出,两款芯片的按键扫描部分的驱动代码上,是可以通用的,具体的差异就是读取具体的按键值的差异。





