光耦合器不仅可以保护敏感电路,还可以使工程师设计各种硬件应用。光耦合器通过保护元件,可以避免更换元件的大量成本。然而,光耦合器比保险丝更复杂。光耦合器还可以通过光耦合器连接和断开两个电路,从而方便地控制两个电路之间的连接。光耦合器广泛用于电子、电气和通信系统。
如何保护敏感电路免受高压影响
光耦合器通常用于抑制进入MCU电路的反电动势、噪声和电涌。光耦合器通过完全的电绝缘在高压设备和微控制器之间建立安全连接。如果高压电路引起电涌,浪涌仅保留在光耦合器的输出侧,输入侧的电路保持安全且不受影响,因为两侧都是电气隔离的。光耦合器也称为光电二极管、光隔离器、光电耦合器和光隔离器。
PC817等标准光耦合器支持高达5 kV的输入-输出隔离电压。[i] 大多数电子元件在 10 V 以下工作,如果雷电浪涌进入系统,它可以感应高达 10 KV 的电压——这足以一次炸毁电子元件。一些商业规模的光耦合器可以承受高达10 KV的输入输出隔离电压,用于防止雷击。
更换印刷电路板 (PCB) 上烧毁的组件可能非常不方便。但是,光耦合器可用于保护昂贵的元件。发生故障时,光耦合器会烧毁,电路的其余部分不受影响。光耦合器不直接焊接在电路上;相反,它们被放置在集成芯片(IC)插座中,因此在燃烧时始终可以轻松更换。
有关光耦合器内部工作原理以及如何使用LED和光电二极管构建自己的光耦合器的详细说明,请参阅之前名为保护MCU:构建自己的光耦合器的文章。
为什么光耦合器输入侧和输出侧的接地电平没有连接?
光耦合器输入/输出(I/O)所在侧的电路旨在保护其免受任何一侧可能的风险的影响。尽管术语“接地”电压听起来总是0 V,但事实并非如此。5 V电源和220 VAC电源的接地电平可能大不相同;5 V电源观察到的接地电压不需要与220 VAC的接地电压相同。
在这种情况下,连接来自不同来源的接地层可能是危险的。即使 220 VAC 降压并整流至 5 VDC,仍然不建议将两侧的地面相互连接。这样做会产生电毛刺,这就是为什么光耦合器两个I/O侧的接地电平始终保持电气断开的原因。有关公共点及其路径通常如何连接的详细信息,请阅读Bill Schweber的文章“地面和公共点应该如何相互连接?
阻抗匹配:使用光耦合器解决问题
在许多通信电路中,必须在多个组件之间建立匹配阻抗。不匹配可能会导致输出不合适。然而,光耦合器可用于信号传输,而无需两侧阻抗匹配,这就是光耦合器广泛用于高速电信设备的原因。根据Janet Heath的说法,“在理想的世界中,来自引脚的信号能量将穿过PCB走线并完全被负载吸收。但是,如果能量没有完全被负载(接收器)吸收,剩余能量可以通过PCB走线反射回来,到达输出引脚(驱动器)的原始能量源。[iii] 基于光电二极管的光耦合器(如东芝TLP2719光电耦合器)可以支持高达1Mbps的信号速度。 高速光耦合器的数据传输速率高达50 Mbps。
使用光耦合器检测交流电源的过零
在许多应用中,检测交流电源的过零至关重要。例如,典型的功率因数校正系统测量实际功率和无功功率(两者都是总功率的组成部分)之间的角度差异。实际功率和无功功率之间的差异是通过监测电压和电流波的“过零”来测量的。“过零”是电子、声学、数学和图像处理中常用的术语。过零表示波形穿过其坐标轴的位置(即,如果您绘制了波形)。过零还指示波形(表示为数学函数)何时从正向负切换,然后再切换回来。请注意,某些频率测试电路的工作原理是监控交流源波形中的过零。
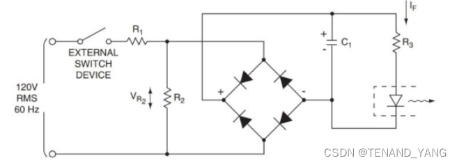
光耦合器可用于检测交流电源的过零。光耦合器的响应时间仅为纳秒;它在零点过境时迅速打开和关闭。通过在交流电源上使用整流器和滤波器,可以从光耦合器获得数字信号。[vi] 使用RC滤波器,可以根据需要改变输出波形。

图 1:使用光耦合器进行交流电源监控的电路图交流输入在向光耦合器的IRED发出信号之前经过整流和滤波。
带光耦合器的开关器件
光耦合器用作微控制器数字输出和需要控制的外部元件之间的安全屏障。

图 2:显示 PIC16F877A 微控制器 (U2) 和 PC817C 光耦合器 (U1) 之间连接的电路图。光耦合器用于切换LED(D1)。晶体管和继电器可用于开关电压相对较高的负载。
图3中微控制器的数字输出启动5 VDC(数字)信号,用于切换光耦合器(U1)中的IRED。微控制器的输出引脚和光耦合器中的IRED可以支持有限的电流;因此,建议在微控制器的输出和光耦合器的输入之间使用限流电阻。当IRED导通时,红外光落在光电晶体管上,光电晶体管驱动(激励)光电晶体管,之后电流开始在集电极和发射极引脚之间流动。光电晶体管的集电极和发射极支持有限的电流。如果需要控制具有更高电流规格的器件,则可以使用晶体管来放大光耦合器的输出。
开关器件的接地未与微控制器电路上的公共接地连接,因为这可能导致噪声泄漏流向微控制器。
使用光耦合器读取输入信号
光耦合器可用于从任何源安全地读取逻辑0和逻辑1的电平。例如,来自无变压器电源的电压可能包含噪声。在这种情况下,如果输入信号直接与微控制器连接,则来自输入信号的噪声会影响微控制器的工作方式。同样,如果微控制器的输入意外暴露在电涌中,微控制器会立即被破坏(即,它会燃烧或“释放魔烟”。然而,在微控制器和输入信号之间使用光耦合器就像保险单一样,可以防止此类事故的发生。
图 3:显示 Microchip PIC16F877A 微控制器(上图U2)和PC817C光耦合器(上图U1)之间连接的电路图。光耦合器用于读取数字信号。
结论
光耦合器不仅可以保护敏感电路,还可以使工程师设计各种硬件应用。使用光耦合器可以节省大量更换元件的成本,并且可以通过连接/断开光耦合器来方便地控制两个电路之间的连接。光耦合器广泛用于电子、电气和通信系统。